0
MAX2470
  • MAX2470

MAX2470

PRODUCTION

10MHz to 500MHz, VCO Buffer Amplifiers with Differential Outputs

Analog Devices MAX2470 Product Info

10 February 2026 11

Features

  • +2.7V to +5.5V Supply Range
  • Input Frequency Range
    • High: 10MHz to 500MHz (MAX2470/2471)
    • Low: 10MHz to 200MHz (MAX2470)
  • >14dB Power Gain at 200MHz
  • 64dB Typical Reverse Isolation at 200MHz
  • Low-Distortion Output Drive
  • Ultra-Small SOT23-6 Package
  • High Input Impedance
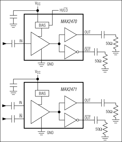
  • Single-Ended (MAX2470) or Differential (MAX2471) Inputs

Part details & applications

The MAX2470/MAX2471 are flexible, low-cost, high reverse-isolation buffer amplifiers for applications with discrete and module-based VCO designs. Both feature differential 50Ω outputs for driving a single differential (balanced) load or two separate single-ended (unbalanced) 50Ω loads. The MAX2470 offers a single-ended input and has two selectable frequency ranges of operation: 10MHz to 500MHz and 10MHz to 200MHz. The MAX2471 offers a differential input and operates from 10MHz to 500MHz. The MAX2470/MAX2471 also feature high input impedance for maximum flexibility, enabling them to be used with a variety of oscillator topologies. High reverse isolation combined with low supply current make them ideal for applications requiring high performance with low power.

These devices are also ideal for use as active baluns. The MAX2470 converts a single-ended input to a differential output. The MAX2471 is useful as a differential buffer stage or to convert from a differential input to two single-ended ouputs.

The MAX2470 operates from a single +2.7V to +5.5V supply. At -5dBm output power, it consumes 5.5mA in the high-frequency range and only 3.6mA in the low-frequency range. The MAX2471 operates from a +2.7V to +5.5V single supply and consumes 5.5mA. both devices are available in ultra-small SOT23-6 plastic packages, requiring minimal board space.

Applications

  • Active Baluns
  • Cellular and PCS Mobile Phones
  • General-Purpose Buffers/Amplifiers
  • ISM-Band Applications

Subscribe to Welllinkchips !
Your Name
* Email
Submit a request