0
OPA2171-EP
  • OPA2171-EP
  • OPA2171-EP

OPA2171-EP

ACTIVE

Enhanced product, dual, 36-V, 3-MHz, low-power operational amplifier

Texas Instruments OPA2171-EP Product Info

1 April 2026 0

Parameters

Number of channels

2

Total supply voltage (+5 V = 5, ±5 V = 10) (max) (V)

36

Total supply voltage (+5 V = 5, ±5 V = 10) (min) (V)

2.7

Rail-to-rail

In to V-, Out

GBW (typ) (MHz)

3

Slew rate (typ) (V/µs)

1.5

Vos (offset voltage at 25°C) (max) (mV)

1.8

Iq per channel (typ) (mA)

0.475

Vn at 1 kHz (typ) (nV√Hz)

14

Rating

HiRel Enhanced Product

Operating temperature range (°C)

-55 to 125

Offset drift (typ) (µV/°C)

0.3

Features

EMI Hardened

Input bias current (max) (pA)

15

CMRR (typ) (dB)

120

Iout (typ) (A)

0.025

Architecture

CMOS

Input common mode headroom (to negative supply) (typ) (V)

-0.1

Input common mode headroom (to positive supply) (typ) (V)

-2

Output swing headroom (to negative supply) (typ) (V)

0.03

Output swing headroom (to positive supply) (typ) (V)

-0.35

Package

VSSOP (DCU)-8-6.2 mm² 2 x 3.1

Features

  • Supply Range: 2.7 to 36 V, ±1.35 V to ±18 V
  • Low Noise: 14 nV/√Hz
  • Low Offset Drift: ±0.3 µV/°C (Typ)
  • RFI Filtered Inputs
  • Input Range Includes the Negative Supply
  • Input Range Operates to Positive Supply
  • Rail-to-Rail Output
  • Gain Bandwidth: 3 MHz
  • Low Quiescent Current: 475 µA per Amplifier
  • High Common-Mode Rejection: 120 dB (Typ)
  • Low-Input Bias Current: 8 pA
  • Package: Dual in VSSOP-8
  • Supports Defense, Aerospace, and Medical Applications:
    • Controlled Baseline
    • One Assembly/Test Site
    • One Fabrication Site
    • Available in Extended (-55°C to 125°C) Temperature Range
    • Extended Product Life Cycle
    • Extended Product-Change Notification
    • Product Traceability
  • Supply Range: 2.7 to 36 V, ±1.35 V to ±18 V
  • Low Noise: 14 nV/√Hz
  • Low Offset Drift: ±0.3 µV/°C (Typ)
  • RFI Filtered Inputs
  • Input Range Includes the Negative Supply
  • Input Range Operates to Positive Supply
  • Rail-to-Rail Output
  • Gain Bandwidth: 3 MHz
  • Low Quiescent Current: 475 µA per Amplifier
  • High Common-Mode Rejection: 120 dB (Typ)
  • Low-Input Bias Current: 8 pA
  • Package: Dual in VSSOP-8
  • Supports Defense, Aerospace, and Medical Applications:
    • Controlled Baseline
    • One Assembly/Test Site
    • One Fabrication Site
    • Available in Extended (-55°C to 125°C) Temperature Range
    • Extended Product Life Cycle
    • Extended Product-Change Notification
    • Product Traceability

Description

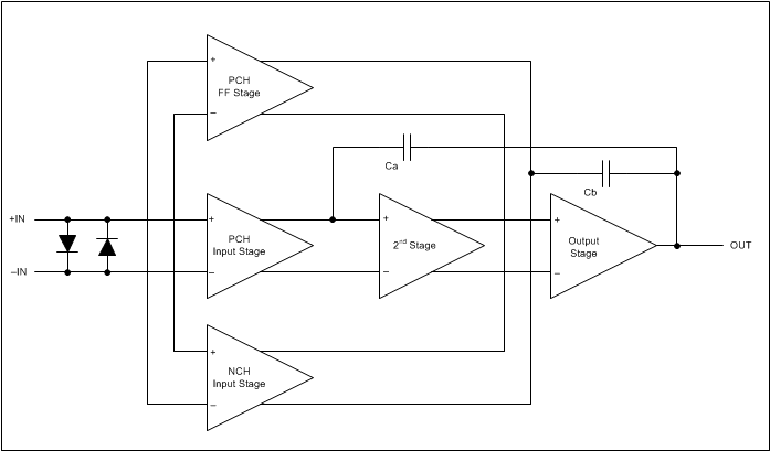
The OPA2171-EP is a 36-V, single-supply, low-noise operational amplifier with the ability to operate on supplies ranging from 2.7 V (±1.35 V) to 36 V (±18 V). These devices are available in micro-packages and offer low offset, drift, and bandwidth with low quiescent current. The single, dual, and quad versions all have identical specifications for maximum design flexibility.

Unlike most operational amplifiers, which are specified at only one supply voltage, the OPA2171-EP is specified from 2.7 to 36 V. Input signals beyond the supply rails do not cause phase reversal. The OPA2171-EP is stable with capacitive loads up to 300 pF. The input can operate 100 mV below the negative rail and within 2 V of the top rail during normal operation. Note that these devices can operate with full rail-to-rail input 100 mV beyond the top rail, but with reduced performance within 2 V of the top rail.

The OPA2171-EP operational amplifier is specified from -55°C to 125°C.

The OPA2171-EP is a 36-V, single-supply, low-noise operational amplifier with the ability to operate on supplies ranging from 2.7 V (±1.35 V) to 36 V (±18 V). These devices are available in micro-packages and offer low offset, drift, and bandwidth with low quiescent current. The single, dual, and quad versions all have identical specifications for maximum design flexibility.

Unlike most operational amplifiers, which are specified at only one supply voltage, the OPA2171-EP is specified from 2.7 to 36 V. Input signals beyond the supply rails do not cause phase reversal. The OPA2171-EP is stable with capacitive loads up to 300 pF. The input can operate 100 mV below the negative rail and within 2 V of the top rail during normal operation. Note that these devices can operate with full rail-to-rail input 100 mV beyond the top rail, but with reduced performance within 2 V of the top rail.

The OPA2171-EP operational amplifier is specified from -55°C to 125°C.

Subscribe to Welllinkchips !
Your Name
* Email
Submit a request