0
TCA9803
  • TCA9803
  • TCA9803

TCA9803

ACTIVE

2-bit level-translating 400-kHz I2C/SMBus buffer/repeater with internal 3-mA current source

Texas Instruments TCA9803 Product Info

1 April 2026 0

Parameters

Features

Buffer, Enable pin

Protocols

I2C

Frequency (max) (MHz)

0.4

VCCA (min) (V)

0.8

VCCA (max) (V)

3.6

VCCB (min) (V)

1.65

VCCB (max) (V)

3.6

Supply restrictions

No rule

Rating

Catalog

Operating temperature range (°C)

-40 to 125

Package

VSSOP (DGK)-8-14.7 mm² 3 x 4.9

Features

  • Two-channel bidirectional buffer
  • Integrated current source on B-side, requires no external B-side resistors
  • Ultra-low power consumption
  • No static-voltage offset, low VOL
  • I2C bus and SMBus compatible
  • Operating supply voltage range of 0.8 V to 3.6 V on A-side
  • Operating supply voltage range of 1.65 V to 3.6 V on B-side
  • Active-high repeater enable input
  • Powered-off high impedance I2C bus pins on A-side
  • Powered-off back-power protection I2C bus pins
  • Support for clock stretching and multiple master arbitration
  • Family of current source options from 0.5 mA to 3 mA
  • Two-channel bidirectional buffer
  • Integrated current source on B-side, requires no external B-side resistors
  • Ultra-low power consumption
  • No static-voltage offset, low VOL
  • I2C bus and SMBus compatible
  • Operating supply voltage range of 0.8 V to 3.6 V on A-side
  • Operating supply voltage range of 1.65 V to 3.6 V on B-side
  • Active-high repeater enable input
  • Powered-off high impedance I2C bus pins on A-side
  • Powered-off back-power protection I2C bus pins
  • Support for clock stretching and multiple master arbitration
  • Family of current source options from 0.5 mA to 3 mA

Description

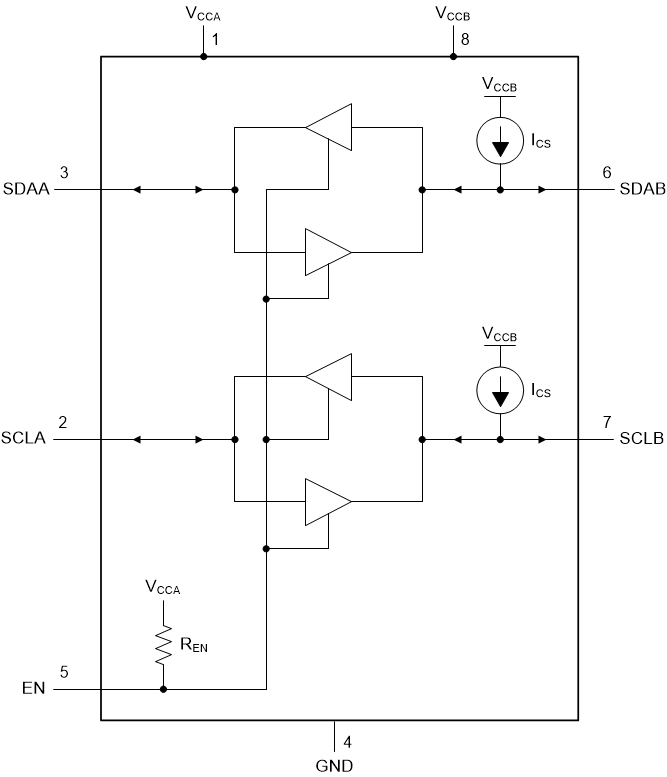
The TCA9803 is a dual-channel bidirectional buffer intended for I2C bus and SMBus/PMBus systems. It provides bidirectional level shifting (up-translation and down-translation) between low voltages (down to 0.8 V) and higher voltages (1.65 V to 3.6 V). The TCA9803 features an internal current source on the B-side of the device, allowing the removal of external pull-up resistors on the B-side. The current source also provides an improved rise time and ultra-low power consumption.

The TCA9803 is able to provide true buffering (rather than a pass-FET solution) without using a static voltage offset or incremental offset. This means that the VOL on both the A and B sides of the TCA9803 are very low (approximately 0.2 V), helping to eliminate communication issues as a result of fixed VIL thresholds. Another key feature of the TCA9803 is that there are no power sequencing requirements, or power supply dependencies. VCCA can be greater than, less than, or equal to VCCB. This gives the system designer flexibility with how the TCA9803 is used.

The TCA9803 is part of a four device family with varying current source strengths (see the Device Comparison Table).

The TCA9803 is a dual-channel bidirectional buffer intended for I2C bus and SMBus/PMBus systems. It provides bidirectional level shifting (up-translation and down-translation) between low voltages (down to 0.8 V) and higher voltages (1.65 V to 3.6 V). The TCA9803 features an internal current source on the B-side of the device, allowing the removal of external pull-up resistors on the B-side. The current source also provides an improved rise time and ultra-low power consumption.

The TCA9803 is able to provide true buffering (rather than a pass-FET solution) without using a static voltage offset or incremental offset. This means that the VOL on both the A and B sides of the TCA9803 are very low (approximately 0.2 V), helping to eliminate communication issues as a result of fixed VIL thresholds. Another key feature of the TCA9803 is that there are no power sequencing requirements, or power supply dependencies. VCCA can be greater than, less than, or equal to VCCB. This gives the system designer flexibility with how the TCA9803 is used.

The TCA9803 is part of a four device family with varying current source strengths (see the Device Comparison Table).

Subscribe to Welllinkchips !
Your Name
* Email
Submit a request