0
INA216
  • INA216
  • INA216
  • INA216

INA216

ACTIVE

1.8 to 5.5V, high-precision current sense amplifier in wcsp

Texas Instruments INA216 Product Info

1 April 2026 1

Parameters

Product type

Analog output

Common-mode voltage (max) (V)

5.5

Common-mode voltage (min) (V)

1.8

Input offset (±) (max) (µV)

75, 100

Input offset drift (±) (typ) (µV/°C)

0.1

Features

High precision, Input supply, Small WCSP Package

Rating

Catalog

Voltage gain (V/V)

25, 50, 100, 200

CMRR (min) (dB)

90

Bandwidth (kHz)

2.5, 5, 10, 20

Supply voltage (max) (V)

5.5

Supply voltage (min) (V)

1.8

Iq (max) (mA)

0.03

Number of channels

1

Comparators (#)

0

Gain error (%)

0.2

Gain error drift (±) (max) (ppm/°C)

0.25

Slew rate (V/µs)

0.3

Operating temperature range (°C)

-40 to 125

Package

DSBGA (YFF)-4-1 mm² 1 x 1

Features

  • CHIP-SCALE PACKAGE
  • COMMON-MODE RANGE: +1.8V to +5.5V
  • OFFSET VOLTAGE: ±30µV
  • GAIN ERROR: ±0.2% MAX
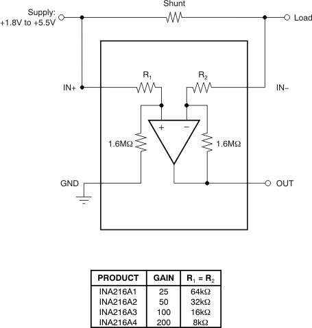
  • CHOICE OF GAINS:
    • INA216A1: 25V/V
    • INA216A2: 50V/V
    • INA216A3: 100V/V
    • INA216A4: 200V/V
  • QUIESCENT CURRENT: 13µA
  • BUFFERED VOLTAGE OUTPUT: No Additional Op Amp Needed
  • CHIP-SCALE PACKAGE
  • COMMON-MODE RANGE: +1.8V to +5.5V
  • OFFSET VOLTAGE: ±30µV
  • GAIN ERROR: ±0.2% MAX
  • CHOICE OF GAINS:
    • INA216A1: 25V/V
    • INA216A2: 50V/V
    • INA216A3: 100V/V
    • INA216A4: 200V/V
  • QUIESCENT CURRENT: 13µA
  • BUFFERED VOLTAGE OUTPUT: No Additional Op Amp Needed

Description

The INA216 is a high-side voltage output current shunt monitor that can sense drops across shunts at common-mode voltages from +1.8V to +5.5V. Four fixed gains are available: 25V/V, 50V/V, 100V/V, and 200V/V. The low offset of the Zerø-Drift architecture enables current sensing with maximum drops across the shunt as low as 10mV full-scale, or with wide dynamic ranges of over 1000:1.

These devices operate from a single +1.8V to +5.5V power supply, drawing a maximum of 25µA of supply current. The INA216 series are specified over the temperature range of –40°C to +125°C, and offered in a chip-scale package.

The INA216 is a high-side voltage output current shunt monitor that can sense drops across shunts at common-mode voltages from +1.8V to +5.5V. Four fixed gains are available: 25V/V, 50V/V, 100V/V, and 200V/V. The low offset of the Zerø-Drift architecture enables current sensing with maximum drops across the shunt as low as 10mV full-scale, or with wide dynamic ranges of over 1000:1.

These devices operate from a single +1.8V to +5.5V power supply, drawing a maximum of 25µA of supply current. The INA216 series are specified over the temperature range of –40°C to +125°C, and offered in a chip-scale package.

Subscribe to Welllinkchips !
Your Name
* Email
Submit a request