0
TPS53515
  • TPS53515
  • TPS53515

TPS53515

ACTIVE

1.5-V to 18-V, 12-A synchronous SWIFT™ buck converter

Texas Instruments TPS53515 Product Info

1 April 2026 0

Parameters

Rating

Catalog

Topology

Buck

Iout (max) (A)

12

Vin (max) (V)

18

Vin (min) (V)

1.5

Vout (max) (V)

5.5

Vout (min) (V)

0.6

Features

Adjustable current limit, Enable, Light-load efficiency, Overcurrent protection, Power good, Prebias startup, Soft-start adjustable, Synchronous rectification, UVLO Fixed

Control mode

D-CAP3

Operating temperature range (°C)

-40 to 85

Iq (typ) (A)

0.00135

Duty cycle (max) (%)

80

Package

VQFN-CLIP (RVE)-28-15.75 mm² 4.5 x 3.5

Features

  • Integrated 13.8mΩ and 5.9mΩ MOSFETs with 12A continuous output current
  • Supports all ceramic output capacitors
  • Reference voltage 600mV ±0.5% tolerance
  • Output voltage range: 0.6V to 5.5V
  • D-CAP3™ control mode with fast load-step response
  • Auto-skipping Eco-mode™ for high light-load efficiency
  • FCCM for tight output ripple and voltage requirements
  • Eight selectable frequency settings from 250kHz to 1MHz
  • Precharged start-up capability
  • Built-in output discharge circuit
  • Open-drain power-good output
  • 3.5mm × 4.5mm, 28-pin, VQFN-CLIP package
  • Integrated 13.8mΩ and 5.9mΩ MOSFETs with 12A continuous output current
  • Supports all ceramic output capacitors
  • Reference voltage 600mV ±0.5% tolerance
  • Output voltage range: 0.6V to 5.5V
  • D-CAP3™ control mode with fast load-step response
  • Auto-skipping Eco-mode™ for high light-load efficiency
  • FCCM for tight output ripple and voltage requirements
  • Eight selectable frequency settings from 250kHz to 1MHz
  • Precharged start-up capability
  • Built-in output discharge circuit
  • Open-drain power-good output
  • 3.5mm × 4.5mm, 28-pin, VQFN-CLIP package

Description

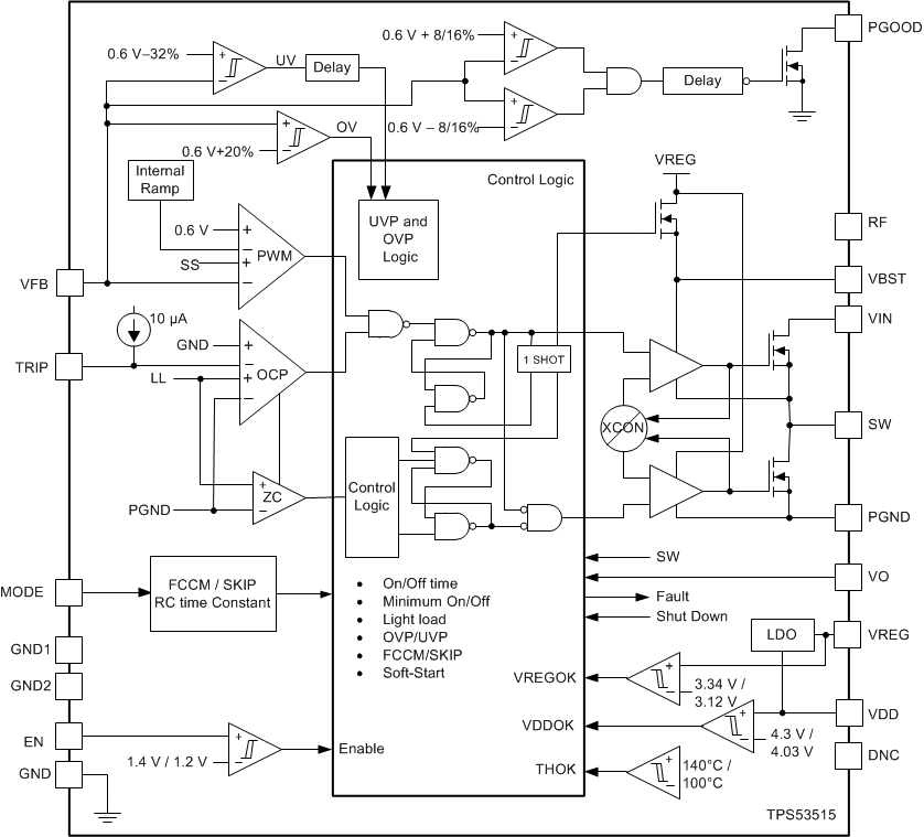
The TPS53515 device is a small-sized, synchronous buck converter with an adaptive on-time D-CAP3 control mode. The device offers ease-of-use and low external-component count for space-conscious power systems.

This device features high-performance integrated MOSFETs, accurate 0.5% 0.6V reference, and an integrated boost switch. Competitive features include very low external-component count, fast load-transient response, auto-skip mode operation, internal soft-start control, and no requirement for compensation.

A forced continuous conduction mode helps meet tight voltage regulation accuracy requirements for performance DSPs and FPGAs. The TPS53515 device is available in a 28-pin VQFN-CLIP package and is specified from –40°C to 85°C ambient temperature.

The TPS53515 device is a small-sized, synchronous buck converter with an adaptive on-time D-CAP3 control mode. The device offers ease-of-use and low external-component count for space-conscious power systems.

This device features high-performance integrated MOSFETs, accurate 0.5% 0.6V reference, and an integrated boost switch. Competitive features include very low external-component count, fast load-transient response, auto-skip mode operation, internal soft-start control, and no requirement for compensation.

A forced continuous conduction mode helps meet tight voltage regulation accuracy requirements for performance DSPs and FPGAs. The TPS53515 device is available in a 28-pin VQFN-CLIP package and is specified from –40°C to 85°C ambient temperature.

Subscribe to Welllinkchips !
Your Name
* Email
Submit a request