0
TPS61311
  • TPS61311
  • TPS61311

TPS61311

ACTIVE

1.5A multiple LED Camera flash driver with I2C compatible interface.

Texas Instruments TPS61311 Product Info

1 April 2026 0

Parameters

Input voltage type

DC/DC

Topology

Boost, current mode

Vin (min) (V)

2.5

Vin (max) (V)

5.5

Vout (max) (V)

5.5

Vout (min) (V)

2.5

Iout (max) (A)

1.5

Iq (typ) (mA)

0.59

Features

OVP, Over Current Protection, Synchronous Rectification

Operating temperature range (°C)

-40 to 85

Dimming method

Analog, PWM

Number of channels

3

Rating

Catalog

Package

DSBGA (YFF)-20-3.96 mm² 1.8 x 2.2

Features

  • Operational Modes:
    • Video Light and Flash Strobe
    • Voltage Regulated Converter: 3.8 V to 5.7 V With Down Mode
    • Standby: 2 µA (Typical)
  • LED VF Measurement
  • Power-Save Mode for Improved Efficiency at Low Output Power, Up to 95% Efficiency
  • I2C Compatible Interface up to 3.4 Mbps
  • Dual Wire Camera Module Interface
  • Zero Latency Tx-Masking Input
  • Hardware Reset Input
  • Privacy Indicator LED Output
  • GPIO and Power Good Output
  • Various Safe Operation and Robust Handling Features:
    • LED Temperature Monitoring
    • Open and Shorted LED Detection and Protection
    • Integrated LED Safety Timer
    • Automatic Battery Voltage Droop Monitoring and Protection
    • Smooth LED Current Ramp-Up and Ramp-Down
    • Undervoltage Lockout
  • Total Solution Size of Less Than 25 mm2
  • Available in a 20-Pin NanoFree™ DSBGA Package
  • Operational Modes:
    • Video Light and Flash Strobe
    • Voltage Regulated Converter: 3.8 V to 5.7 V With Down Mode
    • Standby: 2 µA (Typical)
  • LED VF Measurement
  • Power-Save Mode for Improved Efficiency at Low Output Power, Up to 95% Efficiency
  • I2C Compatible Interface up to 3.4 Mbps
  • Dual Wire Camera Module Interface
  • Zero Latency Tx-Masking Input
  • Hardware Reset Input
  • Privacy Indicator LED Output
  • GPIO and Power Good Output
  • Various Safe Operation and Robust Handling Features:
    • LED Temperature Monitoring
    • Open and Shorted LED Detection and Protection
    • Integrated LED Safety Timer
    • Automatic Battery Voltage Droop Monitoring and Protection
    • Smooth LED Current Ramp-Up and Ramp-Down
    • Undervoltage Lockout
  • Total Solution Size of Less Than 25 mm2
  • Available in a 20-Pin NanoFree™ DSBGA Package

Description

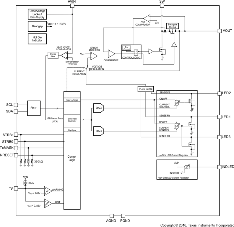
The TPS6131x family is an integrated solution with a wide feature set for driving up to three LEDs for still-camera flash strobe and video-camera lighting applications. It is based on a high efficiency synchronous boost topology with combinable current sinks to drive up to three white LEDs in parallel. The 2-MHz switching frequency allows the use of small and low-profile 2.2-µH inductors. To optimize overall efficiency, the device operates with a low LED-feedback voltage and regulated output-voltage adaptation.

The device integrates a control scheme that automatically optimizes the LED current flash budget as a function of the battery voltage condition.

The TPS6131x not only operates as a regulated current source, but also as a standard voltage boost regulator. The device enters power-save mode operation at light load currents to maintain high efficiency over the entire load current range. These operating modes can be useful to supply other high power devices in the system (for example, a hands-free audio PA).

To simplify video light and flash synchronization with the camera module, the device offers a dedicated control interface (STRB0, STRB1) for zero latency LED turnon time.

The TPS6131x family is an integrated solution with a wide feature set for driving up to three LEDs for still-camera flash strobe and video-camera lighting applications. It is based on a high efficiency synchronous boost topology with combinable current sinks to drive up to three white LEDs in parallel. The 2-MHz switching frequency allows the use of small and low-profile 2.2-µH inductors. To optimize overall efficiency, the device operates with a low LED-feedback voltage and regulated output-voltage adaptation.

The device integrates a control scheme that automatically optimizes the LED current flash budget as a function of the battery voltage condition.

The TPS6131x not only operates as a regulated current source, but also as a standard voltage boost regulator. The device enters power-save mode operation at light load currents to maintain high efficiency over the entire load current range. These operating modes can be useful to supply other high power devices in the system (for example, a hands-free audio PA).

To simplify video light and flash synchronization with the camera module, the device offers a dedicated control interface (STRB0, STRB1) for zero latency LED turnon time.

Subscribe to Welllinkchips !
Your Name
* Email
Submit a request