0
MAX7314
  • MAX7314

MAX7314

PRODUCTION

18-Port GPIO with LED Intensity Control, Interrupt, and Hot-Insertion Protection

Analog Devices MAX7314 Product Info

10 February 2026 8

Features

  • 400kbps, 2-Wire Serial Interface, 5.5V Tolerant
  • 2V to 3.6V Operation
  • Overall 8-Bit PWM LED Intensity Control
    • Global 16-Step Intensity Control
    • Individual 16-Step Intensity Controls
  • 2-Phase LED Blinking
  • 50mA Maximum Port Output Current
  • Supports Hot Insertion
  • Outputs are 5.5V-Rated Open Drain
  • Inputs are Overvoltage Protected to 5.5V
  • Transition Detection with Interrupt Output
  • 1.2µA (typ), 3.6µA (max) Operating Current
  • Small 4mm x 4mm, Thin QFN Package
  • -40°C to +125°C Temperature Range

Part details & applications

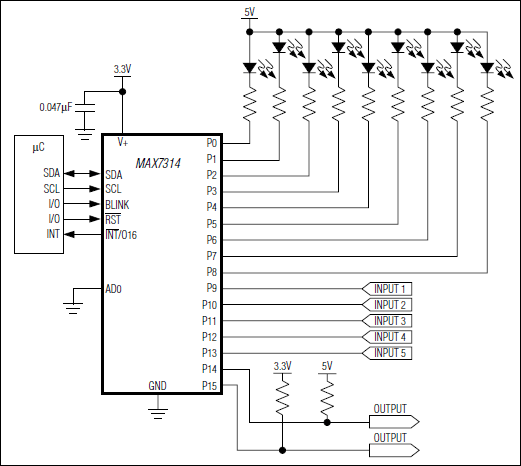
The MAX7314 I²C-compatible serial interfaced peripheral provides microprocessors with 16 I/O ports plus one output-only port and one input-only port. Each I/O port can be individually configured as either an open-drain current-sinking output rated at 50mA and 5.5V, or a logic input with transition detection. The output-only port can be assigned as an interrupt output for transition detection. The outputs are capable of driving LEDs, or providing logic outputs with external resistive pullup up to 5.5V.

Eight-bit PWM current control is built in for all 17 output ports. A 4-bit global control applies to all LED outputs and provides coarse adjustment of current from fully off to fully on with 14 intensity steps in between. Each output has an individual 4-bit control, which further divides the globally set current into 16 more steps. Alternatively, the current control can be configured as a single 8-bit control that sets all outputs at once.

Each output has independent blink timing with two blink phases. All LEDs can be individually set to be on or off during either blink phase, or to ignore the blink control. The blink period is controlled by a clock input (up to 1kHz) on BLINK or by a register. The BLINK input can also be used as a logic control to turn the LEDs on and off, or as a general-purpose input.

The MAX7314 supports hot insertion. All port pins, the active-low INT output, SDA, SCL, active-low RST, BLINK, and the slave address input ADO remain high impedance in powerdown (V+ = 0V) with up to 6V asserted upon them. The MAX7314 is controlled through a 2-wire serial interface, and uses four-level logic to allow four I²C addresses from only one select pin.

Applications

  • Keypad Backlights
  • LCD Backlights
  • LED Status Indication
  • Relay Drivers
  • RGB LED Drivers
  • System I/O Ports
Subscribe to Welllinkchips !
Your Name
* Email
Submit a request