0
LTC2991
  • LTC2991
  • LTC2991
  • LTC2991

LTC2991

RECOMMENDED FOR NEW DESIGNS

Octal I2C Voltage, Current, and Temperature Monitor

Analog Devices LTC2991 Product Info

10 February 2026 7

Features

  • Measures Voltage, Current, Temperature
  • Measures Four Remote Diode Temperatures
  • 0.7°C (Typ) Accuracy, 0.06°C Resolution
  • 1°C (Typ) Internal Temperature Sensor
  • Series Resistance Cancellation
  • 14-Bit ADC Measures Voltage/Current
  • PWM Temperature Output
  • 3V to 5.5V Supply Operating Voltage
  • Eight Selectable Addresses
  • Internal 10ppm/°C Voltage Reference
  • V1 to V8 Inputs ESD Rated to 6kV HBM
  • 16-Lead MSOP Package

Part details & applications

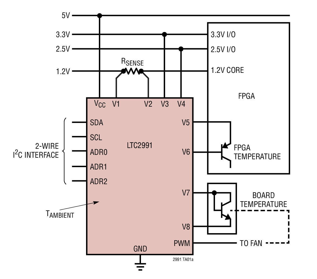
The LTC2991 is used to monitor system temperatures, voltages and currents. Through the I2C serial interface, the eight monitors can individually measure supply voltages and can be paired for differential measurements of current sense resistors or temperature sensing transistors. Additional measurements include internal temperature and internal VCC. The internal 10ppm reference minimizes the number of supporting components and area required. Selectable address and configurable functionality give the LTC2991 flexibility to be incorporated in various systems needing temperature, voltage or current data. The LTC2991 fits well in systems needing submillivolt voltage resolution, 1% current measurement and 1°C temperature accuracy or any combination of the three.

Applications

  • Temperature Measurement
  • Supply Voltage Monitoring
  • Current Measurement
  • Remote Data Acquisition
  • Environmental Monitoring

Subscribe to Welllinkchips !
Your Name
* Email
Submit a request