0
HMC747
  • HMC747

HMC747

RECOMMENDED FOR NEW DESIGNS

13 Gbps Fast Rise Time D-Type Flip-Flop with Programmable Output Voltage

Analog Devices HMC747 Product Info

10 February 2026 8

Features

  • Differential & Singe-Ended Operation
  • Low Power Consumption: 264 mW typ.
  • Programmable Differential
    • Output Voltage Swing: 700 - 1300 mV
  • Propagation Delay: 105 ps
  • Fast Rise and Fall Times: 22/20 ps
  • Single Supply: +3.3V
  • 16 Lead 3×3mm SMT Package: 9mm2

Part details & applications

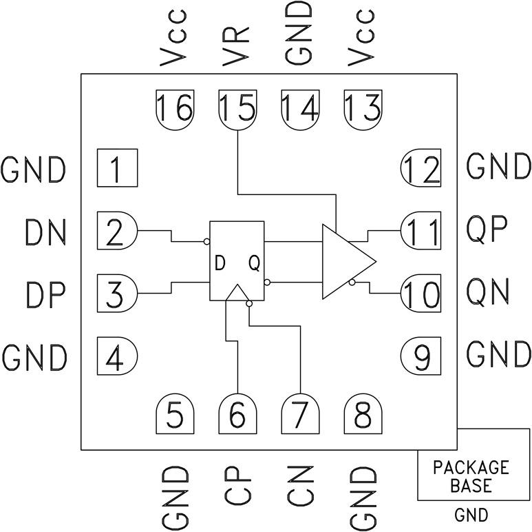
The HMC747 is a D-Type Flip-Flop designed to support data transmission rates of up to 13 Gbps, and clock frequencies as high as 13 GHz. During normal operation, data is transferred to the outputs on the positive edge of the clock. Reversing the clock inputs allows for negative-edge triggered applications. The HMC747 also features an output level control pin, VR, which allows for loss compensation or for signal level optimization.

All input and output signals to the HMC747 are terminated with 50 Ω to VCC on-chip, and may be either AC or DC coupled. Inputs and outputs can be connected directly to a 50 Ω to VCC terminated system, while DC blocking capacitors may be used if the terminating system is 50 Ω to ground. The HMC747 operates from a single +3.3V DC supply and is available in a ceramic RoHS compliant 3×3 mm SMT package.

APPLICATIONS

  • RF ATE Applications
  • Broadband Test & Measurement
  • Serial Data Transmission up to 13 Gbps
  • Digital Logic Systems up to 13 GHz

Subscribe to Welllinkchips !
Your Name
* Email
Submit a request