0
MAX7324
  • MAX7324

MAX7324

PRODUCTION

I²C Port Expander with Eight Push-Pull Outputs and Eight Inputs Low Operating Supply Voltage, I²C Port Expander with 8 Push-Pull and 8 Input Ports

Analog Devices MAX7324 Product Info

10 February 2026 8

Features

  • 400kHz, +6V-Tolerant I²C Serial Interface
  • +1.71V to +5.5V Operating Voltage
  • Eight Push-Pull Outputs
  • Eight Input Ports with Maskable, Latching Transition Detection
  • Input Ports are Overvoltage Protected to +6V
  • Transient Changes are Latched, Allowing Detection Between Read Operations
  • Active-Low INT Output Alerts Change on Any Selection of Inputs
  • AD0 and AD2 Inputs Select from 16 Slave Addresses
  • Low 0.6µA Standby Current
  • -40°C to +125°C Temperature Range

Part details & applications

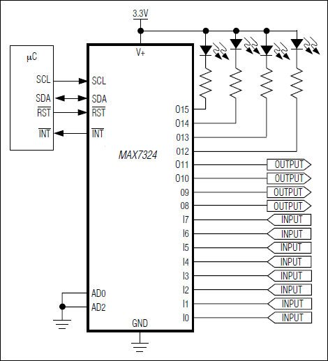
The MAX7324 2-wire serial-interfaced peripheral features 16 I/O ports that are divided into eight push-pull outputs and eight inputs. Each input features selectable internal pullups, overvoltage protection to +6V, and transition detection with an interrupt output.

All input ports are continuously monitored for state changes (transition detection). The interrupt is latched, allowing detection of transient changes. Any combination of inputs can be selected using the interrupt mask to assert the active-low INT output. When the MAX7324 is subsequently accessed through the serial interface, any pending interrupt is cleared.

The push-pull outputs are rated to sink 20mA and are capable of driving LEDs. The active-low RST input clears the serial interface, terminating any I²C communication to or from the MAX7324.

The MAX7324 uses two address inputs with four-level logic to allow 16 I²C slave addresses. The slave address also enables or disables internal 40kΩ pullups in groups of four ports.

The MAX7324 is one device in a family of pin-compatible port expanders with a choice of input ports, open-drain I/O ports, and push-pull output ports (see Table 1 in the full data sheet).

The MAX7324 is available in 24-pin QSOP and TQFN packages, and is specified over the -40°C to +125°C automotive temperature range.

Applications

  • Cell Phones
  • Notebooks
  • SAN/NAS
  • Satellite Radio
  • Servers

Subscribe to Welllinkchips !
Your Name
* Email
Submit a request