0
HMC726
  • HMC726

HMC726

RECOMMENDED FOR NEW DESIGNS

13 Gbps, Fast Rise Time AND/NAND/OR/NOR Gate

Analog Devices HMC726 Product Info

10 February 2026 8

Features

  • Supports High Data Rates: up to 13 Gbps
  • Differential & Single-Ended Operation
  • Fast Rise & Fall Times: 19/18 ps
  • Low Power Consumption: 230 mW typ.
  • Propagation Delay: 95 ps
  • Single Supply: -3.3V
  • 16 Lead Ceramic 3×3mm SMT Package: 9mm2

Part details & applications

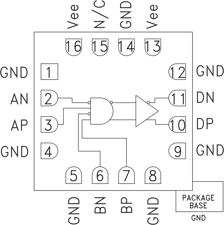
The HMC726 is an AND/NAND/OR/NOR function designed to support data transmission rates of up to 13 Gbps, and clock frequencies as high as 13 GHz. The HMC726 may be easily configured to provide any of the following logic functions: AND, NAND, OR and NOR. All input signals to the HMC726 are terminated with 50 Ohms to ground on-chip, and maybe either AC or DC coupled.

The differential outputs of the HMC726 may be either AC or DC coupled. Outputs can be connected directly to a 50 Ohm to ground terminated system, while DC blocking capacitors may be used if the terminating system is 50 Ohms to a non-ground DC voltage. The HMC726 operates from a single -3.3V DC supply, dissipates only 230 mW, and is available in a ceramic RoHS compliant 3×3 mm SMT package.


APPLICATIONS

  • RF ATE Applications
  • Broadband Test & Measurement
  • Serial Data Transmission up to 13 Gbps
  • Digital Logic Systems up to 13 GHz

Subscribe to Welllinkchips !
Your Name
* Email
Submit a request