0
HMC725
  • HMC725

HMC725

RECOMMENDED FOR NEW DESIGNS

13 Gbps Fast Rise Time XOR / XNOR Gate

Analog Devices HMC725 Product Info

10 February 2026 8

Features

  • Inputs Terminated Internally in 50 Ohms
  • Differential & Single-Ended Operation
  • Fast Rise & Fall Times: 19/18 ps
  • Propagation Delay: 105 ps
  • Low Power Consumption: 230 mW typ.
  • Single Supply: -3.3V
  • 16 Lead Ceramic 3x3mm SMT Package: 9mm2

Part details & applications

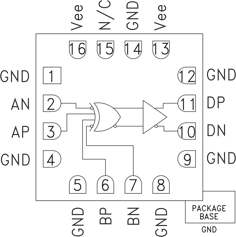
The HMC725 is a XOR/XNOR gate function designed to support data transmission rates of up to 13 Gbps, and clock frequencies as high as 13 GHz. All input signals to the HMC725 are terminated with 50 Ohms to ground on-chip, and maybe either AC or DC coupled. The differential outputs of the HMC725LC3C may be either AC or DC coupled.

Outputs can be connected directly to a 50 Ohm to ground terminated system, while DC blocking capacitors may be used if the terminating system is 50 Ohms to a non-ground DC voltage. The HMC725 operates from a single -3.3V DC supply, dissipates only 230 mW, and is available in a ceramic RoHS compliant 3x3 mm SMT package.

APPLICATIONS

  • RF ATE Applications
  • Broadband Test & Measurement
  • Serial Data Transmission up to 13 Gbps
  • Digital Logic Systems up to 13 GHz

Subscribe to Welllinkchips !
Your Name
* Email
Submit a request