0
HMC727
  • HMC727

HMC727

RECOMMENDED FOR NEW DESIGNS

13 Gbps Fast Rise Time D-Type Flip-Flop

Analog Devices HMC727 Product Info

10 February 2026 9

Features

  • Supports High Data Rates: up to 13 Gbps
  • Differential & Single-Ended Operation
  • Fast Rise & Fall Times: 19/17 ps
  • Low Power Consumption: 260 mW typ.
  • Propagation Delay: 105 ps
  • Single Supply: -3.3V
  • 16 Lead Ceramic 3x3mm SMT Package: 9mm2

Part details & applications

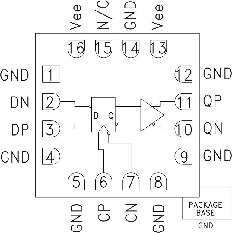
The HMC727 is a D-type Flip Flop designed to support data transmission rates of up to 13 Gbps, and clock frequencies as high as 13 GHz. During normal operation, data is transferred to the outputs on the positive edge of the clock. Reversing the clock inputs allows for negative-edge triggered applications. All input signals to the HMC727 are terminated with 50 Ohms to ground on-chip, and maybe either AC or DC coupled.

The differential outputs of the HMC727 may be either AC or DC coupled. Outputs can be connected directly to a 50 Ohm to ground terminated system, while DC blocking capacitors may be used if the terminating system is 50 Ohms to a nonground DC voltage. The HMC727 operates from a single -3.3V DC supply and is available in a ceramic RoHS compliant 3x3 mm SMT package.

APPLICATIONS

  • RF ATE Applications
  • Broadband Test & Measurement
  • Serial Data Transmission up to 13 Gbps
  • Digital Logic Systems up to 13 GHz

Subscribe to Welllinkchips !
Your Name
* Email
Submit a request