0
HMC723LC3C
  • HMC723LC3C

HMC723LC3C

PRODUCTION

13 Gbps Fast Rise Time D-Type Flip-Flop with Programmable Output Voltage

Analog Devices HMC723LC3C Product Info

10 February 2026 7

Features

  • Supports High Data Rates: up to 13 Gbps
  • Differential & Singe-Ended Operation
  • Fast Rise & Fall Times: 19/17 ps
  • Low Power Consumption: 260 mW typ.
  • Propagation Delay: 105 ps
  • Single Supply: -3.3V
  • 16 Lead Ceramic 3×3mm SMT Package: 9mm2
  • See datasheet for additional features

Part details & applications

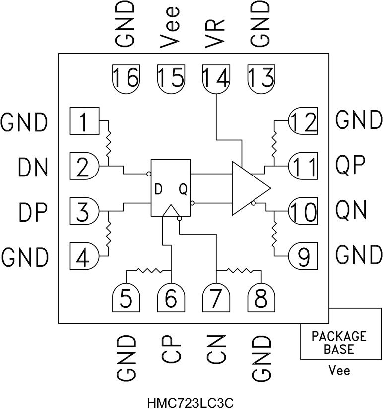
The HMC723LC3C is a D-type Flip Flop designed to support data transmission rates of up to 13 Gbps, and clock frequencies as high as 13 GHz. During normal operation, data is transferred to the outputs on the positive edge of the clock. Reversing the clock inputs allows for negative-edge triggered applications. The HMC723LC3C also features an output level control pin, VR, which allows for loss compensation or for signal level optimization.

All input signals to the HMC723LC3C are terminated with 50 Ohms to ground on-chip, and maybe either AC or DC coupled. The differential outputs of the HMC723LC3C may be either AC or DC coupled. Outputs can be connected directly to a 50 Ohm to ground terminated system, while DC blocking capacitors may be used if the terminating system is 50 Ohms to a non-ground DC voltage. The HMC723LC3C operates from a single -3.3V DC supply and is available in a ceramic RoHS compliant 3x3 mm SMT package.

APPLICATIONS

  • RF ATE Applications
  • Broadband Test & Measurement
  • Serial Data Transmission up to 13 Gbps
  • Digital Logic Systems up to 13 GHz

Subscribe to Welllinkchips !
Your Name
* Email
Submit a request