0
LTC2326-18
  • LTC2326-18
  • LTC2326-18
  • LTC2326-18

LTC2326-18

PRODUCTION

18-Bit, 250ksps, ±10.24V True Bipolar, Pseudo-Differential Input ADC with 95dB SNR

Analog Devices LTC2326-18 Product Info

10 February 2026 8

Features

  • 250ksps Throughput Rate
  • ±5LSB INL (Max)
  • Guaranteed 18-Bit No Missing Codes
  • Pseudo-Differential Inputs
  • True Bipolar Input Ranges ±6.25V, ±10.24V, ±12.5V
  • 95dB SNR (Typ) at fIN = 2kHz
  • –111dB THD (Typ) at fIN = 2kHz
  • Guaranteed Operation to 125°C
  • Single 5V Supply
  • Low Drift (20ppm/°C Max) 2.048V Internal Reference
  • Onboard Single-Shot Capable Reference Buffer
  • No Pipeline Delay, No Cycle Latency
  • 1.8V to 5V I/O Voltages
  • SPI-Compatible Serial I/O with Daisy-Chain Mode
  • Internal Conversion Clock
  • Power Dissipation 28mW (Typ)
  • 16-Lead MSOP Package

Part details & applications

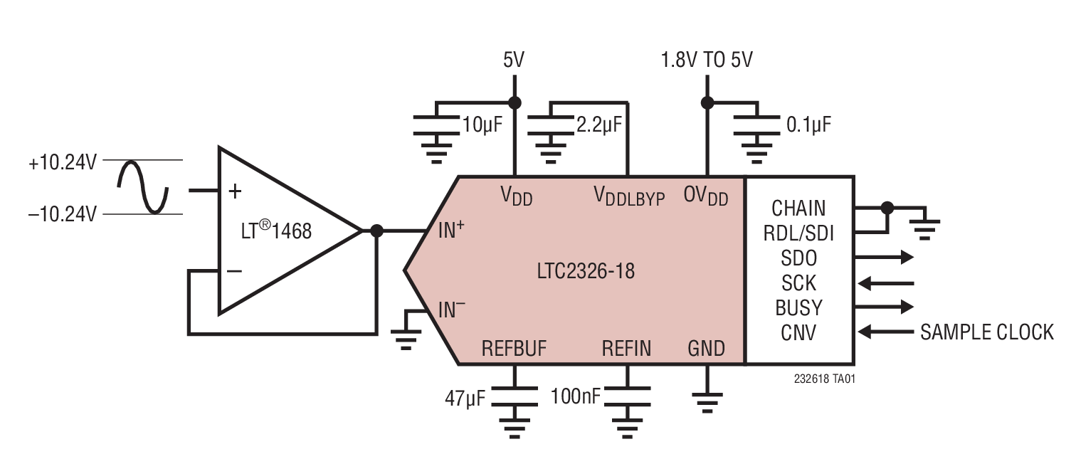
The LTC2326-18 is a low noise, high speed 18-bit successive approximation register (SAR) ADC with pseudo-differential inputs. Operating from a single 5V supply, the LTC2326-18 has a ±10.24V true bipolar input range, making it ideal for high voltage applications which require a wide dynamic range. The LTC2326-18 achieves ±5LSB INL maximum, no missing codes at 18 bits with 95dB SNR.

The LTC2326-18 has an onboard single-shot capable reference buffer and low drift (20ppm/°C max) 2.048V temperature compensated reference. The LTC2326-18 also has a high speed SPI-compatible serial interface that supports 1.8V, 2.5V, 3.3V and 5V logic while also featuring a daisy-chain mode. The fast 250ksps throughput with no cycle latency makes the LTC2326-18 ideally suited for a wide variety of high speed applications. An internal oscillator sets the conversion time, easing external timing considerations. The LTC2326-18 dissipates only 28mW and automatically naps between conversions, leading to reduced power dissipation that scales with the sampling rate. A sleep mode is also provided to reduce the power consumption of the LTC2326-18 to 300μW for further power savings during inactive periods.

Bits
LTC2326-16 16
LTC2326-18