0
TS5USBC41
  • TS5USBC41
  • TS5USBC41

TS5USBC41

ACTIVE

Dual 2:1 USB 2.0 Mux/DeMux or Single Ended Cross Switch With 20-V/24-V OVP

Texas Instruments TS5USBC41 Product Info

1 April 2026 0

Parameters

Type

Passive mux

Function

USB 2.0

USB speed (Mbps)

480

Number of channels

2

Supply voltage (max) (V)

5.5

Supply voltage (min) (V)

2.3

Ron (typ) (mΩ)

5600

Input/output voltage (min) (V)

0

Input/output voltage (max) (V)

18

Configuration

2:1 SPDT

Features

20V Over Voltage Protection, Very low power consumption

Rating

Catalog

Operating temperature range (°C)

-40 to 85

Supply current (max) (µA)

22

ESD HBM (typ) (kV)

2

Bandwidth (MHz)

1200

Package

DSBGA (YFF)-12-2.52000000000000018 mm² 1.4000000000000001 x 1.8

Features

  • Supply Range 2.3 V to 5.5 V
  • Differential 2:1 or 1:2 Switch/Multiplexer or Flexible Dual Single Ended Cross Switch
  • 0-V to 20-V (TS5USBC410) and 24-V (TS5USBC412) Overvoltage Protection (OVP) on Common Pins
  • Powered Off Protection When VCC = 0 V
  • Low RON of 9 Ω Maximum
  • BW of 1.1-GHz (TS5USBC410) and 1.2-GHz (TS5USBC412) Typical
  • CON typical of 2.7 pF (TS5USBC410) and 2.5 pF (TS5USBC412)
  • Low Power Disable Mode
  • 1.8-V Compatible Logic Inputs
  • ESD Protection Exceeds JESD 22
    • 2000-V Human Body Model (HBM)
  • TS5USBC410 and TS5USBC412: Standard Temperature Range of 0°C to 70°C
  • TS5USBC410I and TS5USBC412I: Industrial Temperature Range of -40°C to 85°C
  • Small DSBGA Package
  • Supply Range 2.3 V to 5.5 V
  • Differential 2:1 or 1:2 Switch/Multiplexer or Flexible Dual Single Ended Cross Switch
  • 0-V to 20-V (TS5USBC410) and 24-V (TS5USBC412) Overvoltage Protection (OVP) on Common Pins
  • Powered Off Protection When VCC = 0 V
  • Low RON of 9 Ω Maximum
  • BW of 1.1-GHz (TS5USBC410) and 1.2-GHz (TS5USBC412) Typical
  • CON typical of 2.7 pF (TS5USBC410) and 2.5 pF (TS5USBC412)
  • Low Power Disable Mode
  • 1.8-V Compatible Logic Inputs
  • ESD Protection Exceeds JESD 22
    • 2000-V Human Body Model (HBM)
  • TS5USBC410 and TS5USBC412: Standard Temperature Range of 0°C to 70°C
  • TS5USBC410I and TS5USBC412I: Industrial Temperature Range of -40°C to 85°C
  • Small DSBGA Package

Description

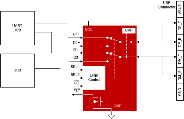
The TS5USBC41 is a bidirectional low-power dual port, high-speed, USB 2.0 analog switch with integrated protection for USB Type-C™ systems. The device is configured as a dual 2:1 or 1:2 switch. It is optimized for use with the USB 2.0 D+/- lines in a USB Type-C™ systems.

The TS5USBC41 protection on the I/O pins can tolerate up to 20 V (TS5USBC410) or 24 V (TS5USBC412) with automatic shutoff circuitry to protect system components behind the switch.

The TS5USBC41 comes in a small 12 pin DSBGA package making it a perfect candidate for mobile and space constrained applications.

The TS5USBC41 is a bidirectional low-power dual port, high-speed, USB 2.0 analog switch with integrated protection for USB Type-C™ systems. The device is configured as a dual 2:1 or 1:2 switch. It is optimized for use with the USB 2.0 D+/- lines in a USB Type-C™ systems.

The TS5USBC41 protection on the I/O pins can tolerate up to 20 V (TS5USBC410) or 24 V (TS5USBC412) with automatic shutoff circuitry to protect system components behind the switch.

The TS5USBC41 comes in a small 12 pin DSBGA package making it a perfect candidate for mobile and space constrained applications.

Subscribe to Welllinkchips !
Your Name
* Email
Submit a request