0
LMR23625
  • LMR23625
  • LMR23625
  • LMR23625
  • LMR23625

LMR23625

ACTIVE

SIMPLE SWITCHER®, 36V 2.5A Synchronous Step-Down Converter

Texas Instruments LMR23625 Product Info

1 April 2026 1

Parameters

Rating

Catalog

Topology

Buck

Iout (max) (A)

2.5

Vin (max) (V)

36

Vin (min) (V)

4.5

Vout (max) (V)

30

Vout (min) (V)

1

Features

Enable, Forced PWM, Frequency synchronization, Light Load Efficiency, Over Current Protection, Power good, Pre-Bias Start-Up, Synchronous Rectification, UVLO adjustable, Wettable flanks package

Control mode

current mode

Operating temperature range (°C)

-40 to 125

Iq (typ) (A)

0.000075

Duty cycle (max) (%)

97

Package

HSOIC (DDA)-8-29.4 mm² 4.9 x 6

Features

  • 4-V to 36-V input range
  • 2.5-A continuous output current
  • Integrated synchronous rectification
  • Current mode control
  • Minimum switch ON time: 60 ns
  • 2.1-MHz switching frequency with PFM and forced-PWM-mode options (HSOIC)
  • 2.1-MHz switching frequency with forced-PWM mode only (WSON)
  • Frequency synchronization to external clock
  • Internal compensation for ease of use
  • 75-µA quiescent current at no load
  • Soft start into a prebiased load
  • High duty-cycle operation supported
  • Precision enable input
  • Output short-circuit protection with hiccup mode
  • Thermal protection
  • 8-Pin HSOIC with PowerPAD™ package
  • 12-Pin WSON wettable flanks package with PowerPAD™
  • Use the LMZM33603 module for faster time to market
  • Create a custom design using the LMR23625 with the WEBENCH Power Designer
  • 4-V to 36-V input range
  • 2.5-A continuous output current
  • Integrated synchronous rectification
  • Current mode control
  • Minimum switch ON time: 60 ns
  • 2.1-MHz switching frequency with PFM and forced-PWM-mode options (HSOIC)
  • 2.1-MHz switching frequency with forced-PWM mode only (WSON)
  • Frequency synchronization to external clock
  • Internal compensation for ease of use
  • 75-µA quiescent current at no load
  • Soft start into a prebiased load
  • High duty-cycle operation supported
  • Precision enable input
  • Output short-circuit protection with hiccup mode
  • Thermal protection
  • 8-Pin HSOIC with PowerPAD™ package
  • 12-Pin WSON wettable flanks package with PowerPAD™
  • Use the LMZM33603 module for faster time to market
  • Create a custom design using the LMR23625 with the WEBENCH Power Designer

Description

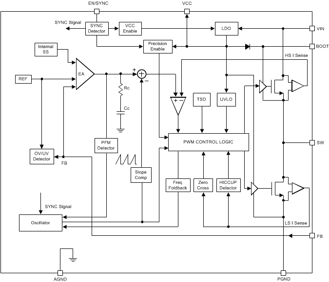
The LMR23625 SIMPLE SWITCHER is an easy-to-use 36-V, 2.5-A synchronous step-down regulator. With a wide input range from 4 V to 36 V, the device is suitable for various industrial application for power conditioning from unregulated sources. Peak current-mode control is employed to achieve simple control-loop compensation and cycle-by-cycle current limiting. A quiescent current of 75 µA makes it suitable for battery-powered systems. An ultra-low 2 µA shutdown current can further prolong battery life. Internal loop compensation means that the user is free from the tedious task of loop compensation design. This also minimizes the external components. The device has an option for fixed-frequency FPWM mode to achieve small output-voltage ripple at light load. An extended family for HSOIC is available in 1-A (LMR23610) and 3-A (LMR23630) load current options in pin-to-pin compatible packages which allows simple, optimum PCB layout. A precision enable input allows simplification of regulator control and system power sequencing. Protection features include cycle-by-cycle current limit, hiccup-mode short-circuit protection and thermal shutdown due to excessive power dissipation.

space

The LMR23625 SIMPLE SWITCHER is an easy-to-use 36-V, 2.5-A synchronous step-down regulator. With a wide input range from 4 V to 36 V, the device is suitable for various industrial application for power conditioning from unregulated sources. Peak current-mode control is employed to achieve simple control-loop compensation and cycle-by-cycle current limiting. A quiescent current of 75 µA makes it suitable for battery-powered systems. An ultra-low 2 µA shutdown current can further prolong battery life. Internal loop compensation means that the user is free from the tedious task of loop compensation design. This also minimizes the external components. The device has an option for fixed-frequency FPWM mode to achieve small output-voltage ripple at light load. An extended family for HSOIC is available in 1-A (LMR23610) and 3-A (LMR23630) load current options in pin-to-pin compatible packages which allows simple, optimum PCB layout. A precision enable input allows simplification of regulator control and system power sequencing. Protection features include cycle-by-cycle current limit, hiccup-mode short-circuit protection and thermal shutdown due to excessive power dissipation.

space

Subscribe to Welllinkchips !
Your Name
* Email
Submit a request