0
LM5035B
  • LM5035B
  • LM5035B
  • LM5035B
  • LM5035B
  • LM5035B

LM5035B

ACTIVE

PWM controller with Integrated half-bridge and SyncFET Drivers with Increased max duty cycle Packages Packages

Texas Instruments LM5035B Product Info

1 April 2026 1

Parameters

Topology

Half bridge

Control mode

Feedforward

Features

Current limiting, High-voltage startup, Multi-topology, Pre-bias startup, Synchronization pin

Duty cycle (max) (%)

50

Package

HTSSOP (PWP)-20-41.6 mm² 6.5 x 6.4

Features

  • 105V / 2A Half-Bridge Gate Drivers
  • Synchronous Rectifier Control Outputs with Programmable Delays
  • Synchronous Rectifiers Turned Off in Shutdown Modes.
  • Reduced Deadtime Between High and Low Side Drive for Higher Maximum Duty Cycle.
  • High Voltage (105V) Start-up Regulator
  • Voltage mode Control with Line Feed-Forward and Volt Second Limiting
  • Resistor Programmed, 2MHz Capable Oscillator
  • Programmable Line Under-Voltage Lockout and Over-Voltage Protection
  • Internal Thermal Shutdown Protection
  • Adjustable Soft-Start
  • Versatile Dual Mode Over-Current Protection with Hiccup Delay Timer
  • Cycle-by-Cycle Over-Current Protection
  • Direct Opto-coupler Interface
  • 5V Reference Output

Packages

  • TSSOP-20
  • WQFN-24 (4mm x 5mm)

All trademarks are the property of their respective owners.

  • 105V / 2A Half-Bridge Gate Drivers
  • Synchronous Rectifier Control Outputs with Programmable Delays
  • Synchronous Rectifiers Turned Off in Shutdown Modes.
  • Reduced Deadtime Between High and Low Side Drive for Higher Maximum Duty Cycle.
  • High Voltage (105V) Start-up Regulator
  • Voltage mode Control with Line Feed-Forward and Volt Second Limiting
  • Resistor Programmed, 2MHz Capable Oscillator
  • Programmable Line Under-Voltage Lockout and Over-Voltage Protection
  • Internal Thermal Shutdown Protection
  • Adjustable Soft-Start
  • Versatile Dual Mode Over-Current Protection with Hiccup Delay Timer
  • Cycle-by-Cycle Over-Current Protection
  • Direct Opto-coupler Interface
  • 5V Reference Output

Packages

  • TSSOP-20
  • WQFN-24 (4mm x 5mm)

All trademarks are the property of their respective owners.

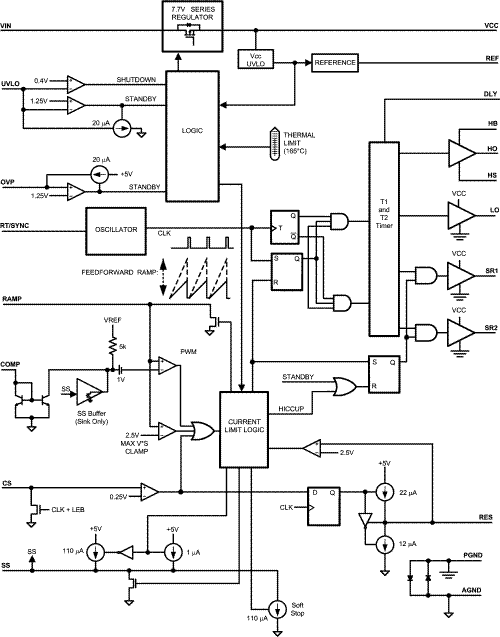
Description

The LM5035B Half-Bridge Controller/Gate Driver contains all of the features necessary to implement half-bridge topology power converters using voltage mode control with line voltage feed-forward.

The LM5035B is a functional variant of the LM5035A half-bridge PWM controller. The LM5035B provides higher maximum duty cycle and higher start-up regulator output current than the LM5035A or LM5035. Also, the Synchronous Rectifier drive outputs of the LM5035B are held low in shutdown modes.

The LM5035, LM5035A, and LM5035B include a floating high-side gate driver, which is capable of operating with supply voltages up to 105V. Both the high-side and low-side gate drivers are capable of 2A peak. An internal high voltage startup regulator is included, along with programmable line undervoltage lockout (UVLO) and overvoltage protection (OVP). The oscillator is programmed with a single resistor to frequencies up to 2MHz. The oscillator can also be synchronized to an external clock. A current sense input and a programmable timer provide cycle-by-cycle current limit and adjustable hiccup mode overload protection.The differences between LM5035, LM5035A, LM5035B, and LM5035C are summarized in .

The LM5035B Half-Bridge Controller/Gate Driver contains all of the features necessary to implement half-bridge topology power converters using voltage mode control with line voltage feed-forward.

The LM5035B is a functional variant of the LM5035A half-bridge PWM controller. The LM5035B provides higher maximum duty cycle and higher start-up regulator output current than the LM5035A or LM5035. Also, the Synchronous Rectifier drive outputs of the LM5035B are held low in shutdown modes.

The LM5035, LM5035A, and LM5035B include a floating high-side gate driver, which is capable of operating with supply voltages up to 105V. Both the high-side and low-side gate drivers are capable of 2A peak. An internal high voltage startup regulator is included, along with programmable line undervoltage lockout (UVLO) and overvoltage protection (OVP). The oscillator is programmed with a single resistor to frequencies up to 2MHz. The oscillator can also be synchronized to an external clock. A current sense input and a programmable timer provide cycle-by-cycle current limit and adjustable hiccup mode overload protection.The differences between LM5035, LM5035A, LM5035B, and LM5035C are summarized in .

Subscribe to Welllinkchips !
Your Name
* Email
Submit a request