0
UCC24610
  • UCC24610
  • UCC24610
  • UCC24610

UCC24610

ACTIVE

Secondary side synchronous rectifier controller

Texas Instruments UCC24610 Product Info

1 April 2026 2

Parameters

Topology

Active-clamp flyback, Active-clamp forward, Buck-Boost, CCM, DCM, Flyback, Forward, Half bridge, LLC, LLC half-bridge, Quasi resonant

Control mode

VDS sensing

Features

600kHz operation, Automatic Light Load Management, Compatible with CCM, SYNC Pin for CCM, SYNC pin for CCM, Synchronous Rectifier, VDS Sensing

Package

SOIC (D)-8-29.4 mm² 4.9 x 6

Features

  • Secondary-Side Controller Optimized for 5-V Systems
  • Up to 600-kHz Operating Frequency
  • VDS MOSFET-Sensing
  • 1.6-Ω Sink, 2.0-Ω Source Gate-Drive Impedances
  • Micro-Power Sleep Current for 90+ Designs
  • Automatic Light-Load Management
  • Synchronous Wake-Up From Sleep and Light-Load Modes
  • Protection Features on Programming Inputs
  • SYNC Input for CCM Operation
  • 20-ns Typical Turnoff Propagation Delay
  • Improved Efficiency and Design Flexibility Over Traditional Diode Solution
  • May Be Biased Directly From 5-V Output
  • Minimal Component Count
  • APPLICATIONS
    • AC-to-DC 5-V Adapters
    • 5-V Bias Supplies
    • Low Voltage Rectification Circuits
    • Flyback and LLC Converters
  • Secondary-Side Controller Optimized for 5-V Systems
  • Up to 600-kHz Operating Frequency
  • VDS MOSFET-Sensing
  • 1.6-Ω Sink, 2.0-Ω Source Gate-Drive Impedances
  • Micro-Power Sleep Current for 90+ Designs
  • Automatic Light-Load Management
  • Synchronous Wake-Up From Sleep and Light-Load Modes
  • Protection Features on Programming Inputs
  • SYNC Input for CCM Operation
  • 20-ns Typical Turnoff Propagation Delay
  • Improved Efficiency and Design Flexibility Over Traditional Diode Solution
  • May Be Biased Directly From 5-V Output
  • Minimal Component Count
  • APPLICATIONS
    • AC-to-DC 5-V Adapters
    • 5-V Bias Supplies
    • Low Voltage Rectification Circuits
    • Flyback and LLC Converters
  • Description

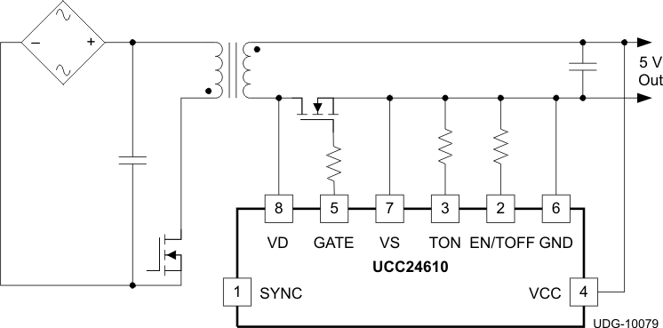
    This GREEN Rectifier controller is a high-performance controller and driver for standard and logic-level N-channel MOSFET power devices used for low-voltage secondary-side synchronous rectification.

    The combination of controller and MOSFET emulates a near-ideal diode rectifier. This solution not only directly reduces power dissipation of the rectifier but also indirectly reduces primary-side losses as well, due to compounding of efficiency gains.

    Using drain-to-source voltage sensing, the UCC24610 is ideal for Flyback and LLC-resonant power supplies but can also be used with other power architectures. The UCC24610 is optimized for output voltages from 4.5 V to 5.5 V, and is suitable for use with lower and higher output voltages as well.

    The UCC24610 offers a programmable false-triggering filter, a programmable timer to automatically switch to light-load mode at light load, and a SYNC input for optional use in continuous conduction mode (CCM) systems. Protection features on TON and EN/TOFF pins prevent run-away on-time due to open-circuit or short-circuit fault conditions.

    This device is available in an 8-pin SOIC package and an 8-pin, 3.0-mm × 3.0-mm SON package with an exposed thermal pad.

    This GREEN Rectifier controller is a high-performance controller and driver for standard and logic-level N-channel MOSFET power devices used for low-voltage secondary-side synchronous rectification.

    The combination of controller and MOSFET emulates a near-ideal diode rectifier. This solution not only directly reduces power dissipation of the rectifier but also indirectly reduces primary-side losses as well, due to compounding of efficiency gains.

    Using drain-to-source voltage sensing, the UCC24610 is ideal for Flyback and LLC-resonant power supplies but can also be used with other power architectures. The UCC24610 is optimized for output voltages from 4.5 V to 5.5 V, and is suitable for use with lower and higher output voltages as well.

    The UCC24610 offers a programmable false-triggering filter, a programmable timer to automatically switch to light-load mode at light load, and a SYNC input for optional use in continuous conduction mode (CCM) systems. Protection features on TON and EN/TOFF pins prevent run-away on-time due to open-circuit or short-circuit fault conditions.

    This device is available in an 8-pin SOIC package and an 8-pin, 3.0-mm × 3.0-mm SON package with an exposed thermal pad.

    Subscribe to Welllinkchips !
    Your Name
    * Email
    Submit a request