0
TPS386040
  • TPS386040
  • TPS386040

TPS386040

ACTIVE

Push-pull, quad-supply voltage supervisors with programmable delay & watchdog timer

Texas Instruments TPS386040 Product Info

1 April 2026 0

Parameters

Rating

Catalog

Number of supplies monitored

3, 4

Threshold voltage 1 (typ) (V)

0.4

Features

Manual reset capable, Negative voltage monitoring, Separate VDD & sense, Timeout watchdog, Undervoltage and overvoltage monitor, Watchdog timer

Reset threshold accuracy (%)

0.5

Iq (typ) (mA)

0.011

Output driver type/reset output

Active-low, Push-Pull

Time delay (ms)

20, 300

Watchdog timer WDI (s)

0.6

Supply voltage (min) (V)

1.8

Supply voltage (max) (V)

6.5

Operating temperature range (°C)

-40 to 125

Package

VQFN (RGP)-20-16 mm² 4 x 4

Features

  • Four Independent Voltage Supervisors
  • Channel 1:
    • Adjustable Threshold Down to 0.4 V
    • Manual Reset (MR) Input
  • Channels 2, 3:
    • Adjustable Threshold Down to 0.4 V
  • Channel 4:
    • Adjustable Threshold at Any Positive or Negative Voltage
    • Window Comparator
  • Adjustable Delay Time: 1.4 ms to 10 s
  • Threshold Accuracy: 0.25% Typical
  • Very Low Quiescent Current: 11 µA Typical
  • Watchdog Timer With Dedicated Output
  • Well-Controlled Output During Power Up
  • TPS386000: Open-Drain RESETn and WDO
  • TPS386040: Push-Pull RESETn and WDO
  • Package: 4-mm × 4-mm, 20-Pin VQFN
  • Four Independent Voltage Supervisors
  • Channel 1:
    • Adjustable Threshold Down to 0.4 V
    • Manual Reset (MR) Input
  • Channels 2, 3:
    • Adjustable Threshold Down to 0.4 V
  • Channel 4:
    • Adjustable Threshold at Any Positive or Negative Voltage
    • Window Comparator
  • Adjustable Delay Time: 1.4 ms to 10 s
  • Threshold Accuracy: 0.25% Typical
  • Very Low Quiescent Current: 11 µA Typical
  • Watchdog Timer With Dedicated Output
  • Well-Controlled Output During Power Up
  • TPS386000: Open-Drain RESETn and WDO
  • TPS386040: Push-Pull RESETn and WDO
  • Package: 4-mm × 4-mm, 20-Pin VQFN

Description

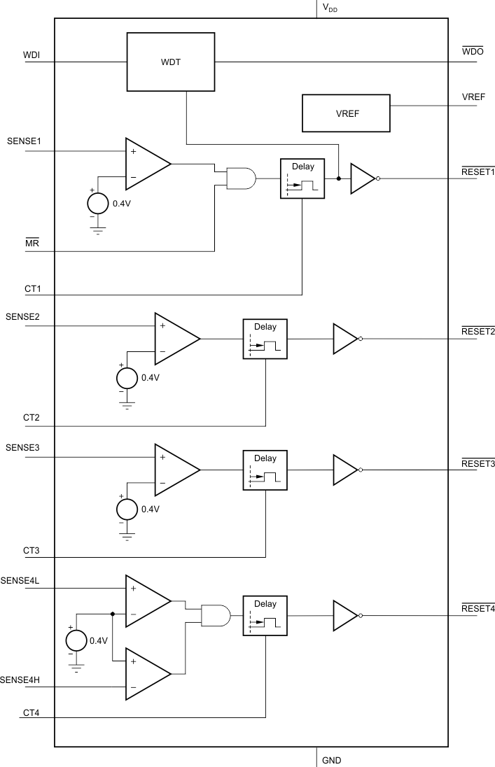
The TPS3860x0 family of supply voltage supervisors (SVSs) can monitor four power rails that are greater than 0.4 V and one power rail less than 0.4 V (including negative voltage) with a 0.25% (typical) threshold accuracy. Each of the four supervisory circuits (SVS-n) assert a RESETn or RESETn output signal when the SENSEm input voltage drops below the programmed threshold. With external resistors, the threshold of each SVS-n can be programmed (where n = 1, 2, 3, 4 and m = 1, 2, 3, 4L, 4H).

Each SVS-n has a programmable delay before releasing RESETn or RESETn. The delay time can be set independently for each SVS from 1.4 ms to 10 s through the CTn pin connection. Only SVS-1 has an active-low manual reset (MR) input; a logic-low input to MR asserts RESET1 or RESET1.

SVS-4 monitors the threshold window using two comparators. The extra comparator can be configured as a fifth SVS to monitor negative voltage with voltage reference output VREF.

The TPS3860x0 has a very low quiescent current of 11 µA (typical) and is available in a small, 4-mm x 4-mm, VQFN-20 package.

The TPS3860x0 family of supply voltage supervisors (SVSs) can monitor four power rails that are greater than 0.4 V and one power rail less than 0.4 V (including negative voltage) with a 0.25% (typical) threshold accuracy. Each of the four supervisory circuits (SVS-n) assert a RESETn or RESETn output signal when the SENSEm input voltage drops below the programmed threshold. With external resistors, the threshold of each SVS-n can be programmed (where n = 1, 2, 3, 4 and m = 1, 2, 3, 4L, 4H).

Each SVS-n has a programmable delay before releasing RESETn or RESETn. The delay time can be set independently for each SVS from 1.4 ms to 10 s through the CTn pin connection. Only SVS-1 has an active-low manual reset (MR) input; a logic-low input to MR asserts RESET1 or RESET1.

SVS-4 monitors the threshold window using two comparators. The extra comparator can be configured as a fifth SVS to monitor negative voltage with voltage reference output VREF.

The TPS3860x0 has a very low quiescent current of 11 µA (typical) and is available in a small, 4-mm x 4-mm, VQFN-20 package.

Subscribe to Welllinkchips !
Your Name
* Email
Submit a request