0
CC2520
  • CC2520
  • CC2520

CC2520

ACTIVE

Second generation 2.4 GHz ZigBee/IEEE 802.15.4 wireless transceiver Z-Stack Home

Texas Instruments CC2520 Product Info

1 April 2026 0

Parameters

Technology

Zigbee

Protocols

Zigbee 2.6

Flash memory (kByte)

0

RAM (kByte)

0.768

Peripherals

SPI

Features

Supports 6LoWPAN, Supports 802.15.4g, Supports ZigBee

Number of GPIOs

6

Security

Cryptographic acceleration

Operating system

TI RTOS

Type

Smart RF Transceiver

Sensitivity (best) (dBm)

-98

Operating temperature range (°C)

-40 to 125

Cryptographic accelerators

AES

Edge AI enabled

No

Package

VQFN (RHD)-28-25 mm² 5 x 5

Features

  • APPLICATIONS
    • IEEE 802.15.4 systems
    • ZigBee® systems
    • Industrial monitoring and control
    • Home and building automation
    • Automatic Meter Reading
    • Low-power wireless sensor networks
    • Set-top boxes and remote controls
    • Consumer electronics
  • KEY FEATURES
    • State-of-the-art selectivity/co-existence
      Adjacent channel rejection: 49 dB
      Alternate channel rejection: 54 dB
    • Excellent link budget (103dB)
      400 m Line-of-sight range
    • Extended temp range (–40 to +125°C)
    • Wide supply range: 1.8 V – 3.8 V
    • Extensive IEEE 802.15.4 MAC hardware
      support to offload the microcontroller
    • AES-128 security module
    • CC2420 interface compatibility mode
  • Low Power
    • RX (receiving frame, –50 dBm) 18.5 mA
    • TX 33.6 mA @ +5 dBm
    • TX 25.8 mA @ 0 dBm
    • <1µA in power down
  • General
    • Clock output for single crystal systems
    • RoHS compliant 5 × 5 mm QFN28 (RHD) package
  • Radio
    • IEEE 802.15.4 compliant DSSS baseband
      modem with 250 kbps data rate
    • Excellent receiver sensitivity (–98 dBm)
    • Programmable output power up to +5 dBm
    • RF frequency range 2394-2507 MHz
    • Suitable for systems targeting compliance with worldwide radio frequency
      regulations: ETSI EN 300 328 and EN 300 440 class 2 (Europe),
      FCC CFR47 Part 15 (US) and ARIB STD-T66 (Japan)
  • Microcontroller Support
    • Digital RSSI/LQI support
    • Automatic clear channel assessment for CSMA/CA
    • Automatic CRC
    • 768 bytes RAM for flexible buffering and security processing
    • Fully supported MAC security
    • 4 wire SPI
    • 6 configurable IO pins
    • Interrupt generator
    • Frame filtering and processing engine
    • Random number generator
  • Development Tools
    • Reference design
    • IEEE 802.15.4 MAC software
    • ZigBee® stack software
    • Fully equipped development kit
    • Packet sniffer support in hardware

ZigBee® is a registered trademark owned by ZigBee Alliance, Inc.

  • APPLICATIONS
    • IEEE 802.15.4 systems
    • ZigBee® systems
    • Industrial monitoring and control
    • Home and building automation
    • Automatic Meter Reading
    • Low-power wireless sensor networks
    • Set-top boxes and remote controls
    • Consumer electronics
  • KEY FEATURES
    • State-of-the-art selectivity/co-existence
      Adjacent channel rejection: 49 dB
      Alternate channel rejection: 54 dB
    • Excellent link budget (103dB)
      400 m Line-of-sight range
    • Extended temp range (–40 to +125°C)
    • Wide supply range: 1.8 V – 3.8 V
    • Extensive IEEE 802.15.4 MAC hardware
      support to offload the microcontroller
    • AES-128 security module
    • CC2420 interface compatibility mode
  • Low Power
    • RX (receiving frame, –50 dBm) 18.5 mA
    • TX 33.6 mA @ +5 dBm
    • TX 25.8 mA @ 0 dBm
    • <1µA in power down
  • General
    • Clock output for single crystal systems
    • RoHS compliant 5 × 5 mm QFN28 (RHD) package
  • Radio
    • IEEE 802.15.4 compliant DSSS baseband
      modem with 250 kbps data rate
    • Excellent receiver sensitivity (–98 dBm)
    • Programmable output power up to +5 dBm
    • RF frequency range 2394-2507 MHz
    • Suitable for systems targeting compliance with worldwide radio frequency
      regulations: ETSI EN 300 328 and EN 300 440 class 2 (Europe),
      FCC CFR47 Part 15 (US) and ARIB STD-T66 (Japan)
  • Microcontroller Support
    • Digital RSSI/LQI support
    • Automatic clear channel assessment for CSMA/CA
    • Automatic CRC
    • 768 bytes RAM for flexible buffering and security processing
    • Fully supported MAC security
    • 4 wire SPI
    • 6 configurable IO pins
    • Interrupt generator
    • Frame filtering and processing engine
    • Random number generator
  • Development Tools
    • Reference design
    • IEEE 802.15.4 MAC software
    • ZigBee® stack software
    • Fully equipped development kit
    • Packet sniffer support in hardware

ZigBee® is a registered trademark owned by ZigBee Alliance, Inc.

Description

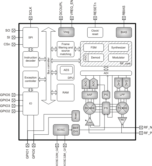
The CC2520 is TI's second generation ZigBee®/ IEEE 802.15.4 RF transceiver for the 2.4 GHz unlicensed ISM band. This chip enables industrial grade applications by offering state-of-the-art selectivity/co-existence, excellent link budget, operation up to 125°C and low voltage operation.

In addition, the CC2520 provides extensive hardware support for frame handling, data buffering, burst transmissions, data encryption, data authentication, clear channel assessment, link quality indication and frame timing information. These features reduce the load on the host controller.

In a typical system, the CC2520 will be used together with a microcontroller and a few additional passive components.

The CC2520 is TI's second generation ZigBee®/ IEEE 802.15.4 RF transceiver for the 2.4 GHz unlicensed ISM band. This chip enables industrial grade applications by offering state-of-the-art selectivity/co-existence, excellent link budget, operation up to 125°C and low voltage operation.

In addition, the CC2520 provides extensive hardware support for frame handling, data buffering, burst transmissions, data encryption, data authentication, clear channel assessment, link quality indication and frame timing information. These features reduce the load on the host controller.

In a typical system, the CC2520 will be used together with a microcontroller and a few additional passive components.

Subscribe to Welllinkchips !
Your Name
* Email
Submit a request