0
TPS2514A-Q1
  • TPS2514A-Q1
  • TPS2514A-Q1

TPS2514A-Q1

ACTIVE

TPS2514A-Q1 USB dedicated charging port controller

Texas Instruments TPS2514A-Q1 Product Info

1 April 2026 1

Parameters

Product type

Charge port controller

Rating

Automotive

Vin (max) (V)

5.5

Vin (min) (V)

4.5

Operating temperature range (°C)

-40 to 125

Package

SOT-23 (DBV)-6-8.12 mm² 2.9 x 2.8

Features

  • AEC-Q100 Qualified:
    • Device HBM ESD Classification Level H2
    • Device CDM ESD Classification Level C5
  • Automatically Selects Charge Mode
    • D+ and D– Divider Mode 2.7 V and 2.7 V
    • D+ and D– 1.2 V Mode
    • D+ and D– Shorted Mode per USB Battery
      Charging Specification, Revision 1.2 (BC1.2)
  • Operating Range: 4.5 V to 5.5 V
  • Dual USB Charging Port Controller,
    TPS2513A-Q1
  • Single USB Charging Port Controller,
    TPS2514A-Q1
  • Available in SOT23-6 Package
  • AEC-Q100 Qualified:
    • Device HBM ESD Classification Level H2
    • Device CDM ESD Classification Level C5
  • Automatically Selects Charge Mode
    • D+ and D– Divider Mode 2.7 V and 2.7 V
    • D+ and D– 1.2 V Mode
    • D+ and D– Shorted Mode per USB Battery
      Charging Specification, Revision 1.2 (BC1.2)
  • Operating Range: 4.5 V to 5.5 V
  • Dual USB Charging Port Controller,
    TPS2513A-Q1
  • Single USB Charging Port Controller,
    TPS2514A-Q1
  • Available in SOT23-6 Package

Description

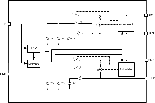
The TPS2513A-Q1 and TPS2514A-Q1 are USB dedicated charging port (DCP) controllers, used for the charging of most popular mobile phones and tablets. An auto-detect feature monitors USB data line voltage, and automatically provides the correct electrical signatures on the data lines to charge compliant devices among the following dedicated charging schemes:

Divider 3 mode, required to apply 2.7 V and 2.7 V on the D+ and D- Lines respectivelyBC1.2 shorted mode, required to short the D+ Line to the D– Line1.2 V mode, required to apply 1.2 V on the D+ and D– Lines

Use with the TPS2561A-Q1 and TPS2513A-Q1 (dual channel), TPS2557-Q1 and TPS2514A-Q1 (single channel) for low loss, automotive qualified, USB Charging Port Solution capable of charging all of today’s popular phones and tablets.

The TPS2513A-Q1 and TPS2514A-Q1 are USB dedicated charging port (DCP) controllers, used for the charging of most popular mobile phones and tablets. An auto-detect feature monitors USB data line voltage, and automatically provides the correct electrical signatures on the data lines to charge compliant devices among the following dedicated charging schemes:

Divider 3 mode, required to apply 2.7 V and 2.7 V on the D+ and D- Lines respectivelyBC1.2 shorted mode, required to short the D+ Line to the D– Line1.2 V mode, required to apply 1.2 V on the D+ and D– Lines

Use with the TPS2561A-Q1 and TPS2513A-Q1 (dual channel), TPS2557-Q1 and TPS2514A-Q1 (single channel) for low loss, automotive qualified, USB Charging Port Solution capable of charging all of today’s popular phones and tablets.

Subscribe to Welllinkchips !
Your Name
* Email
Submit a request