0
SN74LV4053A
  • SN74LV4053A
  • SN74LV4053A
  • SN74LV4053A
  • SN74LV4053A
  • SN74LV4053A
  • SN74LV4053A
  • SN74LV4053A
  • SN74LV4053A
  • SN74LV4053A

SN74LV4053A

ACTIVE

5V 2:1 (SPDT) three-channel analog switch

Texas Instruments SN74LV4053A Product Info

1 April 2026 1

Parameters

Configuration

2:1 SPDT

Number of channels

3

Power supply voltage - single (V)

1.8, 2.5, 3.3, 5

Protocols

Analog

Ron (typ) (Ω)

23

CON (typ) (pF)

5.6

ON-state leakage current (max) (µA)

1

Bandwidth (MHz)

50

Operating temperature range (°C)

-40 to 85

Input/output continuous current (max) (A)

0.025

Rating

Catalog

Drain supply voltage (max) (V)

5.5

Supply voltage (max) (V)

5.5

Package

PDIP (N)-16-181.42 mm² 19.3 x 9.4

Features

  • 1.65V to 5.5V VCC operation
  • Support mixed-mode voltage operation on all ports
  • High on-off output-voltage ratio
  • Low crosstalk between switches
  • Individual switch controls
  • Extremely low input current
  • Latch-up performance exceeds 250mA per JESD 17
  • ESD protection exceeds JESD 22
    • 2000V Human-Body Model (A114-A)
    • 1000V Charged-Device Model (C101)
  • 1.65V to 5.5V VCC operation
  • Support mixed-mode voltage operation on all ports
  • High on-off output-voltage ratio
  • Low crosstalk between switches
  • Individual switch controls
  • Extremely low input current
  • Latch-up performance exceeds 250mA per JESD 17
  • ESD protection exceeds JESD 22
    • 2000V Human-Body Model (A114-A)
    • 1000V Charged-Device Model (C101)

Description

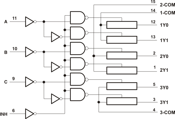
These triple 2-channel CMOS analog multiplexers/demultiplexers are designed for 1.65V to 5.5V VCC operation.

The SNx4LV4053A devices handle both analog and digital signals. Each channel permits signals with amplitudes up to 5.5V (peak) to be transmitted in either direction.

Applications include signal gating, chopping, modulation or demodulation (modem), and signal multiplexing for analog-to-digital and digital-to-analog conversion systems.

These triple 2-channel CMOS analog multiplexers/demultiplexers are designed for 1.65V to 5.5V VCC operation.

The SNx4LV4053A devices handle both analog and digital signals. Each channel permits signals with amplitudes up to 5.5V (peak) to be transmitted in either direction.

Applications include signal gating, chopping, modulation or demodulation (modem), and signal multiplexing for analog-to-digital and digital-to-analog conversion systems.

Subscribe to Welllinkchips !
Your Name
* Email
Submit a request