0
CSD87355Q5D
  • CSD87355Q5D
  • CSD87355Q5D

CSD87355Q5D

ACTIVE

30-V, N channel synchronous buck NexFET™ power MOSFET, SON 5 mm x 6 mm power block, 45 A

Texas Instruments CSD87355Q5D Product Info

1 April 2026 0

Parameters

VDS (V)

30

VGS (V)

10

Type

Power block

Configuration

PowerBlock

ID - continuous drain current at TA=25°C (A)

45

Power loss (W)

2.8

Ploss current (A)

25

Features

Power supply

Rating

Catalog

Operating temperature range (°C)

-55 to 150

Package

LSON-CLIP (DQY)-8-30 mm² 5 x 6

Features

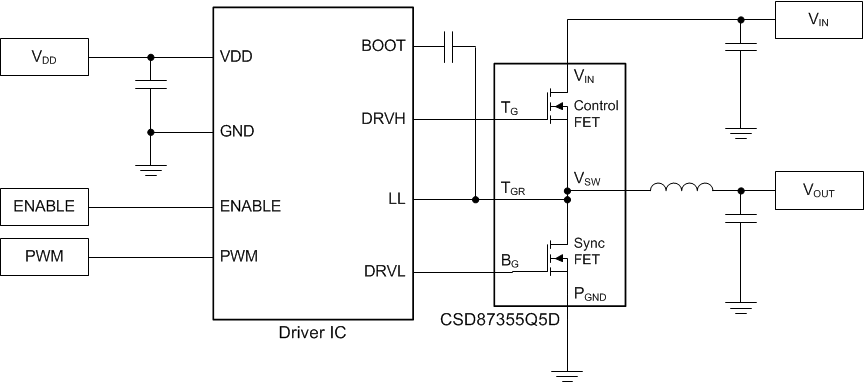
  • Half-Bridge Power Block
  • 92.5% System Efficiency at 25 A
  • Up to 45-A Operation
  • High-Frequency Operation (Up to 1.5 MHz)
  • High-Density SON 5-mm × 6-mm Footprint
  • Optimized for 5-V Gate Drive
  • Low Switching Losses
  • Ultralow Inductance Package
  • RoHS Compliant
  • Halogen Free
  • Pb-Free Terminal Plating
  • Half-Bridge Power Block
  • 92.5% System Efficiency at 25 A
  • Up to 45-A Operation
  • High-Frequency Operation (Up to 1.5 MHz)
  • High-Density SON 5-mm × 6-mm Footprint
  • Optimized for 5-V Gate Drive
  • Low Switching Losses
  • Ultralow Inductance Package
  • RoHS Compliant
  • Halogen Free
  • Pb-Free Terminal Plating

Description

The CSD87355Q5D NexFET™ power block is an optimized design for synchronous buck applications offering high-current, high-efficiency, and high-frequency capability in a small 5-mm × 6-mm outline. Optimized for 5-V gate drive applications, this product offers a flexible solution capable of offering a high-density power supply when paired with any 5-V gate drive from an external controller/driver.

The CSD87355Q5D NexFET™ power block is an optimized design for synchronous buck applications offering high-current, high-efficiency, and high-frequency capability in a small 5-mm × 6-mm outline. Optimized for 5-V gate drive applications, this product offers a flexible solution capable of offering a high-density power supply when paired with any 5-V gate drive from an external controller/driver.

Subscribe to Welllinkchips !
Your Name
* Email
Submit a request