0
MAX202
  • MAX202
  • MAX202
  • MAX202
  • MAX202
  • MAX202

MAX202

ACTIVE

5-V dual channel 120kbps RS-232 line driver/receiver with +/-9V output & +/-15-kV ESD protection

Texas Instruments MAX202 Product Info

1 April 2026 0

Parameters

Drivers per package

2

Receivers per package

2

Logic voltage (min) (V)

5

Data rate (max) (Mbps)

0.12

Main supply voltage (nom) (V)

5

ESD HBM (kV)

15

Rating

Catalog

Operating temperature range (°C)

-40 to 85

Vout (typ) (V)

9

Package

SOIC (D)-16-59.4 mm² 9.9 x 6

Features

  • Meets or exceeds the requirements of TIA/EIA-232-F and ITU v.28 standards
  • ESD protection for RS-232 bus pins: ±15kV human-body model
  • Operates at 5V VCC supply
  • Operates up to 120kbit/s
  • Two drivers and two receivers
  • Latch-up performance exceeds 100mA Per JESD 78, class II
  • Meets or exceeds the requirements of TIA/EIA-232-F and ITU v.28 standards
  • ESD protection for RS-232 bus pins: ±15kV human-body model
  • Operates at 5V VCC supply
  • Operates up to 120kbit/s
  • Two drivers and two receivers
  • Latch-up performance exceeds 100mA Per JESD 78, class II

Description

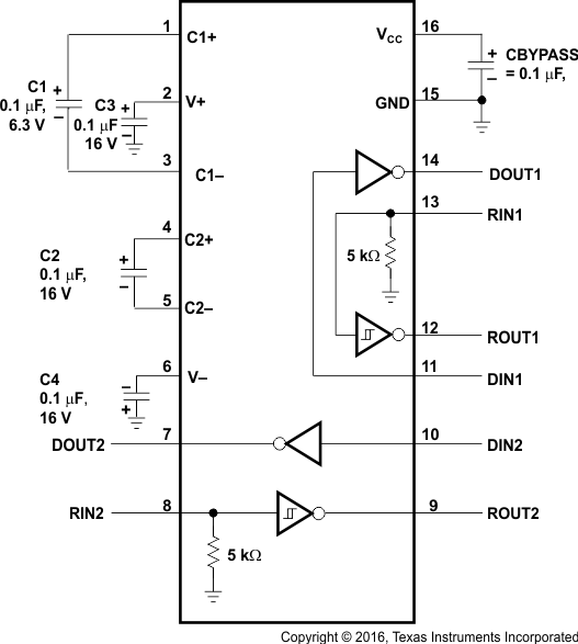
The MAX202 device consists of two line drivers, two line receivers, and a dual charge-pump circuit with ±15kV ESD protection pin to pin (serial-port connection pins, including GND). The device meets the requirements of TIA/EIA-232-F and provides the electrical interface between an asynchronous communication controller and the serial-port connector. The charge pump and four small external capacitors allow operation from a single 5V supply. The device operates at data signaling rates up to 120kbit/s and a maximum of 30V/µs driver output slew rate.

The MAX202 device consists of two line drivers, two line receivers, and a dual charge-pump circuit with ±15kV ESD protection pin to pin (serial-port connection pins, including GND). The device meets the requirements of TIA/EIA-232-F and provides the electrical interface between an asynchronous communication controller and the serial-port connector. The charge pump and four small external capacitors allow operation from a single 5V supply. The device operates at data signaling rates up to 120kbit/s and a maximum of 30V/µs driver output slew rate.

Subscribe to Welllinkchips !
Your Name
* Email
Submit a request