0
TPS560200-Q1
  • TPS560200-Q1
  • TPS560200-Q1

TPS560200-Q1

ACTIVE

4.5V to 17V Input, 500mA Synchronous Step-Down Converter with Advanced Eco-Mode™

Texas Instruments TPS560200-Q1 Product Info

1 April 2026 0

Parameters

Rating

Automotive

Topology

Buck

Iout (max) (A)

0.5

Vin (max) (V)

17

Vin (min) (V)

4.5

Vout (max) (V)

6.5

Vout (min) (V)

0.8

Features

Enable, Light-load efficiency, Soft-start fixed, Synchronous rectification

Control mode

D-CAP2

Operating temperature range (°C)

-40 to 125

Iq (typ) (A)

0.00006

Duty cycle (max) (%)

65

Package

VSSOP (DGK)-8-14.7 mm² 3 x 4.9

Features

  • AEC-Q100 Qualified for Automotive Applications
    • Temperature Range: Grade 1 -40°C to 125°C
    • HBM ESD Classification: H2
    • CDM ESD Classification: C4B
  • Integrated Monolithic 0.95-Ω High-Side and 0.33-Ω Low-Side MOSFETs
  • 500-mA Continuous Output Current
  • Output Voltage Range: 0.8 V to 6.5 V
  • 0.8-V Voltage Reference With ±1.3% Accuracy Over Temperature
  • Auto-Skip Advanced Eco-mode™ for High Efficiency at Light Loads
  • D-CAP2™ Mode Enables Fast Transient Responses
  • No External Compensation Needed
  • 600-kHz Switching Frequency
  • 2-ms Internal Soft Start
  • Safe Start-Up into Prebiased VOUT
  • Thermal Shutdown
  • –40°C to 125°C Operating Junction Temperature Range
  • Available in 8-pin MSOP Package
  • AEC-Q100 Qualified for Automotive Applications
    • Temperature Range: Grade 1 -40°C to 125°C
    • HBM ESD Classification: H2
    • CDM ESD Classification: C4B
  • Integrated Monolithic 0.95-Ω High-Side and 0.33-Ω Low-Side MOSFETs
  • 500-mA Continuous Output Current
  • Output Voltage Range: 0.8 V to 6.5 V
  • 0.8-V Voltage Reference With ±1.3% Accuracy Over Temperature
  • Auto-Skip Advanced Eco-mode™ for High Efficiency at Light Loads
  • D-CAP2™ Mode Enables Fast Transient Responses
  • No External Compensation Needed
  • 600-kHz Switching Frequency
  • 2-ms Internal Soft Start
  • Safe Start-Up into Prebiased VOUT
  • Thermal Shutdown
  • –40°C to 125°C Operating Junction Temperature Range
  • Available in 8-pin MSOP Package

Description

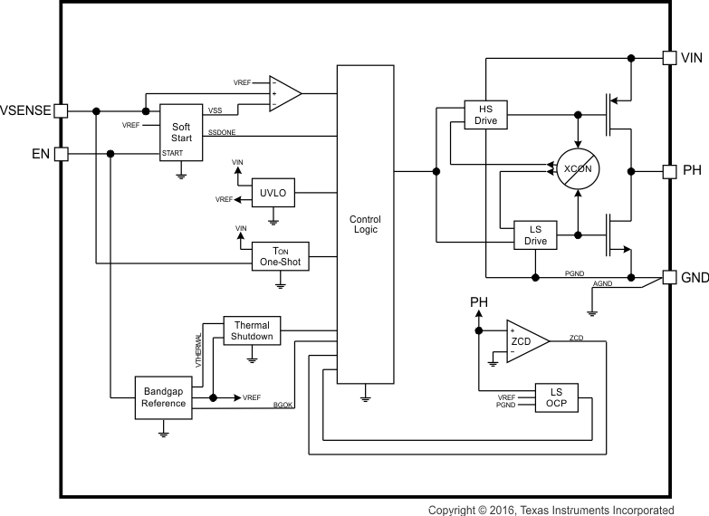
The TPS560200-Q1 is an 17-V, 500-mA, low-Iq, adaptive on-time D-CAP2 mode synchronous monolithic buck converter with integrated MOSFETs in easy-to-use 8-pin MSOP package.

The TPS560200-Q1 lets system designers complete the suite of various end-equipment power bus regulators with a cost-effective, low component count and low standby current solution. The main control loop for the device uses the D-CAP2 mode control that provides a fast transient response with no external compensation components. The adaptive on-time control supports seamless transition between PWM mode at higher load conditions and advanced Eco-Mode operation at light loads.

The TPS560200-Q1 also has a proprietary circuit that enables the device to adopt to both low equivalent series resistance (ESR) output capacitors, such as POSCAP or SP-CAP, and ultra-low ESR ceramic capacitors. The device operates from 4.5-V to 17-V VIN input. The output voltage can be programmed between 0.8 V and 6.5 V. The device also features a fixed 2-ms soft-start time. The device is available in the 8-pin MSOP package.

The TPS560200-Q1 is an 17-V, 500-mA, low-Iq, adaptive on-time D-CAP2 mode synchronous monolithic buck converter with integrated MOSFETs in easy-to-use 8-pin MSOP package.

The TPS560200-Q1 lets system designers complete the suite of various end-equipment power bus regulators with a cost-effective, low component count and low standby current solution. The main control loop for the device uses the D-CAP2 mode control that provides a fast transient response with no external compensation components. The adaptive on-time control supports seamless transition between PWM mode at higher load conditions and advanced Eco-Mode operation at light loads.

The TPS560200-Q1 also has a proprietary circuit that enables the device to adopt to both low equivalent series resistance (ESR) output capacitors, such as POSCAP or SP-CAP, and ultra-low ESR ceramic capacitors. The device operates from 4.5-V to 17-V VIN input. The output voltage can be programmed between 0.8 V and 6.5 V. The device also features a fixed 2-ms soft-start time. The device is available in the 8-pin MSOP package.

Subscribe to Welllinkchips !
Your Name
* Email
Submit a request