0
TPS61391
  • TPS61391
  • TPS61391

TPS61391

ACTIVE

85-VOUT Boost converter with current mirror

Texas Instruments TPS61391 Product Info

1 April 2026 0

Parameters

Rating

Catalog

Topology

Boost, Flyback, SEPIC

Vin (max) (V)

5.5

Vin (min) (V)

2.5

Vout (max) (V)

84

Vout (min) (V)

20

Switch current limit (typ) (A)

1

Features

Enable, Nonsynchronous, UVLO Fixed

Operating temperature range (°C)

-40 to 125

Iq (typ) (A)

0.0005

Duty cycle (max) (%)

99

Package

WQFN (RTE)-16-9 mm² 3 x 3

Features

  • Input voltage range: 2.5 V to 5.5 V
  • Output voltage range: up to 85 V
  • R(DS)on of switching FET: 0.9 Ω
  • Switch current limit: 1000 mA
  • High optical power protection with 0.5-µs response time
  • Switching frequency: 700 kHz
  • Quiescent current: 110 µA from VIN, 340 µA from VOUT, 140 µA from AVCC
  • Soft-start time: 4.8 ms
  • Package: 3 mm × 3 mm × 0.75 mm QFN
  • Input voltage range: 2.5 V to 5.5 V
  • Output voltage range: up to 85 V
  • R(DS)on of switching FET: 0.9 Ω
  • Switch current limit: 1000 mA
  • High optical power protection with 0.5-µs response time
  • Switching frequency: 700 kHz
  • Quiescent current: 110 µA from VIN, 340 µA from VOUT, 140 µA from AVCC
  • Soft-start time: 4.8 ms
  • Package: 3 mm × 3 mm × 0.75 mm QFN

Description

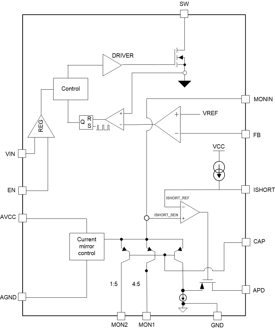
The TPS61391 is a 700-kHz pulse-width modulating (PWM) step-up converter with an 85-V switch FET with an input ranging from 2.5 V to 5.5 V. The switching peak current is up to 1000 mA. The TPS61391 includes accurate current mirror with two gain options selectable (1 : 5 or 4 : 5).

The TPS61391 also provides high optical-power protection with an additional FET in series with the APD power path with the typical response time of 0.5 µs . It can recover automatically once the high optical releasing.

The TPS61391 is available in 3 mm × 3 mm QFN package with exposed pad underneath.

The TPS61391 is a 700-kHz pulse-width modulating (PWM) step-up converter with an 85-V switch FET with an input ranging from 2.5 V to 5.5 V. The switching peak current is up to 1000 mA. The TPS61391 includes accurate current mirror with two gain options selectable (1 : 5 or 4 : 5).

The TPS61391 also provides high optical-power protection with an additional FET in series with the APD power path with the typical response time of 0.5 µs . It can recover automatically once the high optical releasing.

The TPS61391 is available in 3 mm × 3 mm QFN package with exposed pad underneath.

Subscribe to Welllinkchips !
Your Name
* Email
Submit a request