0
LP2995
  • LP2995
  • LP2995
  • LP2995
  • LP2995
  • LP2995
  • LP2995
  • LP2995

LP2995

ACTIVE

DDR Termination Regulator

Texas Instruments LP2995 Product Info

1 April 2026 0

Parameters

Product type

DDR

Vin (min) (V)

2.2

Vin (max) (V)

5.5

Vout (min) (V)

1.21

Vout (max) (V)

1.26

Features

No external resistors

Rating

Catalog

Operating temperature range (°C)

0 to 125

Iq (typ) (mA)

0.25

DDR memory type

DDR

Package

HSOIC (DDA)-8-29.4 mm² 4.9 x 6

Features

  • Low Output Voltage Offset
  • Works with +5v, +3.3v and 2.5v Rails
  • Source and Sink Current
  • Low External Component Count
  • No External Resistors Required
  • Linear Topology
  • Available in SOIC-8, SO PowerPAD-8 or WQFN-16 Packages
  • Low Cost and Easy to Use

All trademarks are the property of their respective owners.

  • Low Output Voltage Offset
  • Works with +5v, +3.3v and 2.5v Rails
  • Source and Sink Current
  • Low External Component Count
  • No External Resistors Required
  • Linear Topology
  • Available in SOIC-8, SO PowerPAD-8 or WQFN-16 Packages
  • Low Cost and Easy to Use

All trademarks are the property of their respective owners.

Description

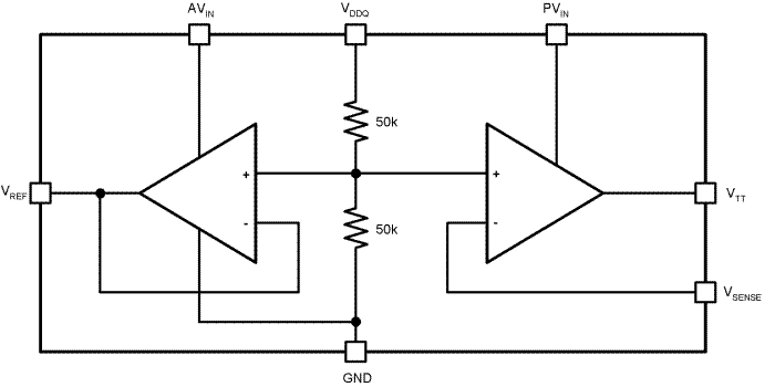
The LP2995 linear regulator is designed to meet the JEDEC SSTL-2 and SSTL-3 specifications for termination of DDR-SDRAM. The device contains a high-speed operational amplifier to provide excellent response to load transients. The output stage prevents shoot through while delivering 1.5A continuous current and transient peaks up to 3A in the application as required for DDR-SDRAM termination. The LP2995 also incorporates a VSENSE pin to provide superior load regulation and a VREF output as a reference for the chipset and DDR DIMMS.

The LP2995 linear regulator is designed to meet the JEDEC SSTL-2 and SSTL-3 specifications for termination of DDR-SDRAM. The device contains a high-speed operational amplifier to provide excellent response to load transients. The output stage prevents shoot through while delivering 1.5A continuous current and transient peaks up to 3A in the application as required for DDR-SDRAM termination. The LP2995 also incorporates a VSENSE pin to provide superior load regulation and a VREF output as a reference for the chipset and DDR DIMMS.

Subscribe to Welllinkchips !
Your Name
* Email
Submit a request