0
LMG1025-Q1
  • LMG1025-Q1
  • LMG1025-Q1
  • LMG1025-Q1

LMG1025-Q1

ACTIVE

Automotive 7A/5A single-channel low-side driver with 5V UVLO for narrow pulse applications

Texas Instruments LMG1025-Q1 Product Info

1 April 2026 0

Parameters

Number of channels

1

Power switch

GaNFET, MOSFET

Peak output current (A)

7

Input supply voltage (min) (V)

4.75

Input supply voltage (max) (V)

5.25

Features

1.25-ns Pulse Width

Operating temperature range (°C)

-40 to 125

Rise time (ns)

0.65

Fall time (ns)

0.85

Propagation delay time (µs)

0.0029

Input threshold

CMOS, TTL

Channel input logic

TTL

Input negative voltage (V)

0

Rating

Automotive

Undervoltage lockout (typ) (V)

4.19

Driver configuration

Dual inputs

Package

WSON (DEE)-6-4 mm² 2 x 2

Features

  • AEC-Q100 grade 1 qualified
  • 1.25ns typical minimum input pulse width
  • 2.6ns typical rising propagation delay
  • 2.9ns typical falling propagation delay
  • 300ps typical pulse distortion
  • Independent 7A pull-up and 5A pull-down current
  • 650ps typical rise time (220pF load)
  • 850ps typical fall time (220pF load)
  • 2mm x 2mm QFN package
  • Inverting and non-inverting inputs
  • UVLO and over-temperature protection
  • Single 5V supply voltage
  • AEC-Q100 grade 1 qualified
  • 1.25ns typical minimum input pulse width
  • 2.6ns typical rising propagation delay
  • 2.9ns typical falling propagation delay
  • 300ps typical pulse distortion
  • Independent 7A pull-up and 5A pull-down current
  • 650ps typical rise time (220pF load)
  • 850ps typical fall time (220pF load)
  • 2mm x 2mm QFN package
  • Inverting and non-inverting inputs
  • UVLO and over-temperature protection
  • Single 5V supply voltage

Description

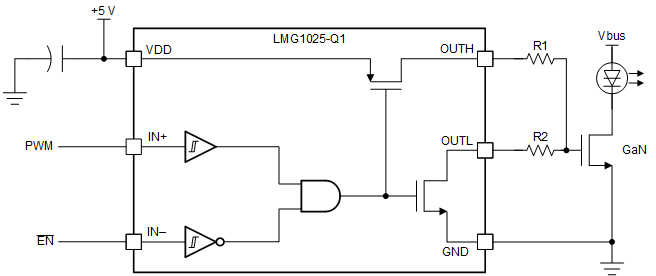
The LMG1025-Q1 is a single channel low-side enhancement-mode GaN FET and logic-level MOSFET driver for high switching frequency automotive applications. Narrow pulse width capability, fast switching specification, and small pulse distortion combine to significantly enhance LiDAR, ToF, and Power Converter performance. 1.25ns output pulse width enables more powerful, eye-safe diode pulses. This, combined with 300ns distortion, leads to longer-range, precise LiDAR/ToF systems. 2.9ns propagation delay significantly improves the control loop response time and thus overall performance of the power converters. Split output allows the drive strength and timing to be independently adjusted through external resistors between OUTH, OUTL, and the FET gate.

The driver features undervoltage lockout (UVLO) and over-temperature protection (OTP) to ensure the device is not damaged in overload or fault conditions. LMG1025-Q1 is available in a compact, leadless, AEC-Q100 automotive qualified package to meet the size and gate loop inductance requirements of high switching frequency automotive applications.

The LMG1025-Q1 is a single channel low-side enhancement-mode GaN FET and logic-level MOSFET driver for high switching frequency automotive applications. Narrow pulse width capability, fast switching specification, and small pulse distortion combine to significantly enhance LiDAR, ToF, and Power Converter performance. 1.25ns output pulse width enables more powerful, eye-safe diode pulses. This, combined with 300ns distortion, leads to longer-range, precise LiDAR/ToF systems. 2.9ns propagation delay significantly improves the control loop response time and thus overall performance of the power converters. Split output allows the drive strength and timing to be independently adjusted through external resistors between OUTH, OUTL, and the FET gate.

The driver features undervoltage lockout (UVLO) and over-temperature protection (OTP) to ensure the device is not damaged in overload or fault conditions. LMG1025-Q1 is available in a compact, leadless, AEC-Q100 automotive qualified package to meet the size and gate loop inductance requirements of high switching frequency automotive applications.

Subscribe to Welllinkchips !
Your Name
* Email
Submit a request