0
SN74AHCT594-Q1
  • SN74AHCT594-Q1
  • SN74AHCT594-Q1
  • SN74AHCT594-Q1
  • SN74AHCT594-Q1

SN74AHCT594-Q1

ACTIVE

Automotive 8-bit shift registers with output registers

Texas Instruments SN74AHCT594-Q1 Product Info

1 April 2026 1

Parameters

Configuration

Serial-in

Bits (#)

8

Technology family

AHCT

Supply voltage (min) (V)

4.5

Supply voltage (max) (V)

5.5

Input type

TTL-Compatible CMOS

Output type

Push-Pull

IOL (max) (mA)

8

IOH (max) (mA)

-8

Supply current (max) (µA)

40

Operating temperature range (°C)

-40 to 125

Rating

Automotive

Package

TSSOP (PW)-16-32 mm² 5 x 6.4

Features

  • AEC-Q100 qualified for automotive applications:
    • Device temperature grade 1: -40°C to +125°C
    • Device HBM ESD classification level 2
    • Device CDM ESD classification level C4B
  • Available in wettable flank QFN (WBQA) package
  • Operating range 4.5V to 5.5V VCC
  • TTL-Compatible inputs
  • Low delay, 12.4ns max (VCC = 5V, CL = 50pF)
  • Latch-up performance exceeds 250mAper JESD 17
  • AEC-Q100 qualified for automotive applications:
    • Device temperature grade 1: -40°C to +125°C
    • Device HBM ESD classification level 2
    • Device CDM ESD classification level C4B
  • Available in wettable flank QFN (WBQA) package
  • Operating range 4.5V to 5.5V VCC
  • TTL-Compatible inputs
  • Low delay, 12.4ns max (VCC = 5V, CL = 50pF)
  • Latch-up performance exceeds 250mAper JESD 17

Description

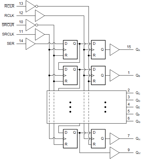
The SN74AHCT594-Q1 is an 8-bit serial-in, parallel-out shift register that feeds an 8-bit D-type storage register. Separate clocks (RCLK, SRCLK) and direct overriding clear (RCLR, SRCLR) inputs are provided on both the shift and storage registers. A serial (QH’) output is provided for cascading purposes.

Both the shift register (SRCLK) and storage register (RCLK) clocks are positive edge triggered. If both clocks are connected together, the shift register always is one clock pulse ahead of the storage register.

The SN74AHCT594-Q1 is an 8-bit serial-in, parallel-out shift register that feeds an 8-bit D-type storage register. Separate clocks (RCLK, SRCLK) and direct overriding clear (RCLR, SRCLR) inputs are provided on both the shift and storage registers. A serial (QH’) output is provided for cascading purposes.

Both the shift register (SRCLK) and storage register (RCLK) clocks are positive edge triggered. If both clocks are connected together, the shift register always is one clock pulse ahead of the storage register.

Subscribe to Welllinkchips !
Your Name
* Email
Submit a request