0
TSU5611
  • TSU5611
  • TSU5611

TSU5611

ACTIVE

SP3T Switch for Micro-USB applications with USB, UART and Audio switches and integrated impedance

Texas Instruments TSU5611 Product Info

1 April 2026 1

Parameters

Protocols

Analog Audio, UART, USB 2.0

Configuration

3:1

Number of channels

2

USB speed (Mbps)

480

Bandwidth (MHz)

830

Supply voltage (max) (V)

6.7

Supply voltage (min) (V)

2.8

Ron (typ) (mΩ)

4500

Input/output voltage (min) (V)

-1.5

Input/output voltage (max) (V)

6

ESD HBM (typ) (kV)

1.5

Operating temperature range (°C)

-40 to 85

Off isolation (typ) (dB)

-75

Ron (max) (mΩ)

8800

Rating

Catalog

Package

DSBGA (YZP)-20-6.1875 mm² 2.25 x 2.75

Features

  • Compatible Accessories
    • USB Data Cable
    • UART Cable
    • Charger (Dedicated Charger or Host/Hub Charger)
    • Stereo Headset With Mic
  • Integrated LDOs for VREF and Mic Bias
  • USB and UART Path Supports USB 2.0 High Speed
  • Audio Path Provides Negative Rail Support and Click/Pop Reduction
  • Supports Factory Test Mode
  • 1.8-V Compatible I2C Interface
  • ESD Performance Tested Per JESD 22
    • 1500-V Human-Body Model
      (A114-B, Class II)
    • 1000-V Charged-Device Model (C101)
  • Compatible Accessories
    • USB Data Cable
    • UART Cable
    • Charger (Dedicated Charger or Host/Hub Charger)
    • Stereo Headset With Mic
  • Integrated LDOs for VREF and Mic Bias
  • USB and UART Path Supports USB 2.0 High Speed
  • Audio Path Provides Negative Rail Support and Click/Pop Reduction
  • Supports Factory Test Mode
  • 1.8-V Compatible I2C Interface
  • ESD Performance Tested Per JESD 22
    • 1500-V Human-Body Model
      (A114-B, Class II)
    • 1000-V Charged-Device Model (C101)

Description

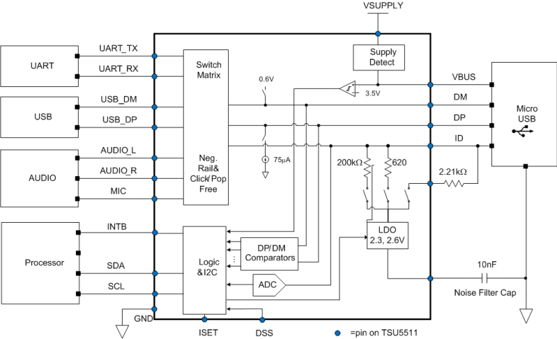
The TSU5611 is designed to interface the cellular phone UART, USB, and audio chips with external peripherals via a micro-USB connector. The switch features impedance detection for identification of various accessories that are attached through DP and DM of the micro-USB port. When an accessory is plugged into the micro-USB port, the switch uses a detection mechanism to identify the accessory (see the State Machine for details). It will then switch to the appropriate channel–data, audio, or UART.

The TSU5611 has an I2C interface for communication with the cellular phone baseband or applications processor. An interrupt is generated when anything plugged into the micro-USB is detected. Another interrupt is generated when the device is unplugged.

The TSU5611 is designed to interface the cellular phone UART, USB, and audio chips with external peripherals via a micro-USB connector. The switch features impedance detection for identification of various accessories that are attached through DP and DM of the micro-USB port. When an accessory is plugged into the micro-USB port, the switch uses a detection mechanism to identify the accessory (see the State Machine for details). It will then switch to the appropriate channel–data, audio, or UART.

The TSU5611 has an I2C interface for communication with the cellular phone baseband or applications processor. An interrupt is generated when anything plugged into the micro-USB is detected. Another interrupt is generated when the device is unplugged.

Subscribe to Welllinkchips !
Your Name
* Email
Submit a request