0
CD74HC74
  • CD74HC74
  • CD74HC74
  • CD74HC74

CD74HC74

ACTIVE

High Speed CMOS Logic Dual Positive-Edge-Triggered D-Type Flip-Flops with Set and Reset

Texas Instruments CD74HC74 Product Info

1 April 2026 2

Parameters

Number of channels

2

Technology family

HC

Supply voltage (min) (V)

2

Supply voltage (max) (V)

6

Input type

Standard CMOS

Output type

Push-Pull

Clock frequency (max) (MHz)

28

IOL (max) (mA)

5.2

IOH (max) (mA)

-5.2

Supply current (max) (µA)

40

Features

Balanced outputs, High speed (tpd 10-50ns), Positive input clamp diode

Operating temperature range (°C)

-55 to 125

Rating

Catalog

Package

PDIP (N)-14-181.42 mm² 19.3 x 9.4

Features

  • Buffered inputs
  • Wide operating voltage range: 2 V to 6 V
  • Wide operating temperature range: -55°C to +125°C
  • Supports fanout up to 10 LSTTL loads
  • Significant power reduction compared to LSTTL logic ICs
  • Buffered inputs
  • Wide operating voltage range: 2 V to 6 V
  • Wide operating temperature range: -55°C to +125°C
  • Supports fanout up to 10 LSTTL loads
  • Significant power reduction compared to LSTTL logic ICs

Description

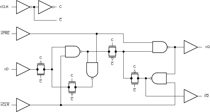
The CDx4HC74 devices contain two independent D-type positive-edge-triggered flip-flops with asynchronous preset and clear pins for each.

The CDx4HC74 devices contain two independent D-type positive-edge-triggered flip-flops with asynchronous preset and clear pins for each.

Subscribe to Welllinkchips !
Your Name
* Email
Submit a request