0
DS99R124AQ-Q1
  • DS99R124AQ-Q1
  • DS99R124AQ-Q1
  • DS99R124AQ-Q1

DS99R124AQ-Q1

ACTIVE

5-MHz to 43-MHz 18-bit color FPD-Link II to FPD-Link converter

Texas Instruments DS99R124AQ-Q1 Product Info

1 April 2026 0

Parameters

Applications

In-vehicle Infotainment (IVI)

Input compatibility

FPD-Link LVDS

Function

Deserializer

Output compatibility

FPD-Link LVDS

Color depth (bpp)

18

Features

I2C Config

Signal conditioning

Programmable Equalizer

EMI reduction

LVDS

Diagnostics

BIST

Rating

Automotive

Operating temperature range (°C)

-40 to 105

Package

WQFN (RHS)-48-49 mm² 7 x 7

Features

  • 5 – 43 MHz Support (140 Mbps to 1.2 Gbps Serial Link)
  • 4-Channel (3 data + 1 clock) FPD-Link LVDS Outputs
  • 3 Low-Speed Over-Sampled LVCMOS Outputs
  • AC Coupled STP Interconnect up to 10 Meters in Length
  • Integrated Input Termination
  • @ Speed Link BIST Mode and Reporting Pin
  • Optional I2C Compatible Serial Control Bus
  • RGB666 + VS, HS, DE Converted from 1 Pair
  • Power Down Mode Minimizes Power Dissipation
  • FAST Random Data Lock; No Reference Clock Required
  • Adjustable Input Receive Equalization
  • LOCK (Real Time Link Status) Reporting Pin
  • Low EMI FPD-Link Output
  • SSCG Option for Lower EMI
  • 1.8V or 3.3V Compatible I/O Interface
  • Automotive Grade Product: AEC-Q100 Grade 2 Qualified
  • >8 kV HBM and ISO 10605 ESD Rating

All trademarks are the property of their respective owners.

  • 5 – 43 MHz Support (140 Mbps to 1.2 Gbps Serial Link)
  • 4-Channel (3 data + 1 clock) FPD-Link LVDS Outputs
  • 3 Low-Speed Over-Sampled LVCMOS Outputs
  • AC Coupled STP Interconnect up to 10 Meters in Length
  • Integrated Input Termination
  • @ Speed Link BIST Mode and Reporting Pin
  • Optional I2C Compatible Serial Control Bus
  • RGB666 + VS, HS, DE Converted from 1 Pair
  • Power Down Mode Minimizes Power Dissipation
  • FAST Random Data Lock; No Reference Clock Required
  • Adjustable Input Receive Equalization
  • LOCK (Real Time Link Status) Reporting Pin
  • Low EMI FPD-Link Output
  • SSCG Option for Lower EMI
  • 1.8V or 3.3V Compatible I/O Interface
  • Automotive Grade Product: AEC-Q100 Grade 2 Qualified
  • >8 kV HBM and ISO 10605 ESD Rating

All trademarks are the property of their respective owners.

Description

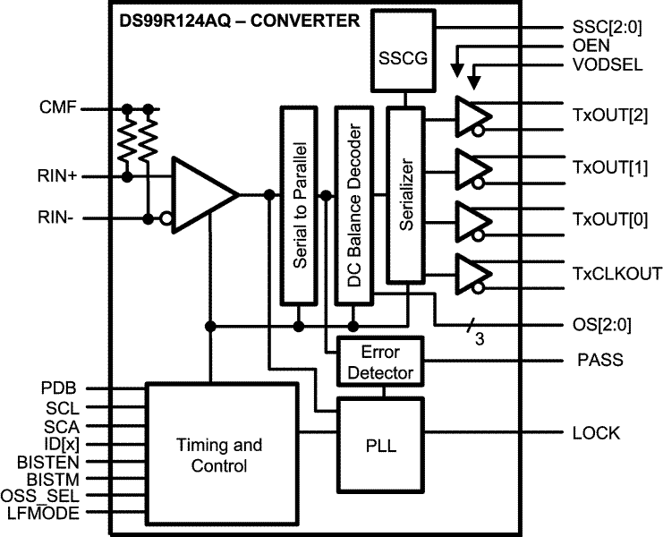
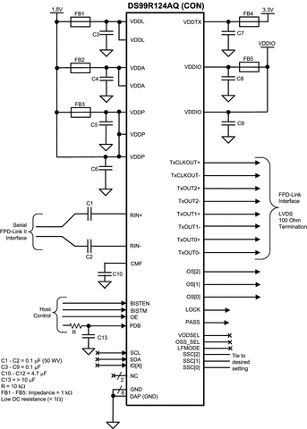
The DS99R124AQ converts FPD-Link II to FPD-Link. It translates a high-speed serialized interface with an embedded clock over a single pair (FPD-Link II) to three LVDS data/control streams and one LVDS clock pair (FPD-Link). This serial bus scheme greatly eases system design by eliminating skew problems between clock and data, reduces the number of connector pins, reduces the interconnect size, weight, and cost, and overall eases PCB layout. In addition, internal DC balanced decoding is used to support AC-coupled interconnects.

The DS99R124AQ converter recovers the data (RGB) and control signals and extracts the clock from a serial stream (FPD-Link II). It is able to lock to the incoming data stream without the use of a training sequence or special SYNC patterns and does not require a reference clock. A link status (LOCK) output signal is provided.

Adjustable input equalization of the serial input stream provides compensation for transmission medium losses of the cable and reduces the medium-induced deterministic jitter. EMI is minimized by the use of low voltage differential signaling, output state select feature, and additional output spread spectrum generation.

With fewer wires to the physical interface of the display, FPD-Link output with LVDS technology is ideal for high speed, low power and low EMI data transfer.

The DS99R124AQ is offered in a 48-pin WQFN package and is specified over the automotive AEC-Q100 Grade 2 temperature range of -40˚C to +105˚C.

The DS99R124AQ converts FPD-Link II to FPD-Link. It translates a high-speed serialized interface with an embedded clock over a single pair (FPD-Link II) to three LVDS data/control streams and one LVDS clock pair (FPD-Link). This serial bus scheme greatly eases system design by eliminating skew problems between clock and data, reduces the number of connector pins, reduces the interconnect size, weight, and cost, and overall eases PCB layout. In addition, internal DC balanced decoding is used to support AC-coupled interconnects.

The DS99R124AQ converter recovers the data (RGB) and control signals and extracts the clock from a serial stream (FPD-Link II). It is able to lock to the incoming data stream without the use of a training sequence or special SYNC patterns and does not require a reference clock. A link status (LOCK) output signal is provided.

Adjustable input equalization of the serial input stream provides compensation for transmission medium losses of the cable and reduces the medium-induced deterministic jitter. EMI is minimized by the use of low voltage differential signaling, output state select feature, and additional output spread spectrum generation.

With fewer wires to the physical interface of the display, FPD-Link output with LVDS technology is ideal for high speed, low power and low EMI data transfer.

The DS99R124AQ is offered in a 48-pin WQFN package and is specified over the automotive AEC-Q100 Grade 2 temperature range of -40˚C to +105˚C.

Subscribe to Welllinkchips !
Your Name
* Email
Submit a request