0
LMR51406
  • LMR51406
  • LMR51406

LMR51406

ACTIVE

SIMPLE SWITCHER® 4V to 42V, 0.6A synchronous buck converter with 26.5uA IQ

Texas Instruments LMR51406 Product Info

1 April 2026 1

Parameters

Rating

Catalog

Iout (max) (A)

0.6

Vin (max) (V)

42

Vin (min) (V)

4

Vout (max) (V)

28

Vout (min) (V)

0.8

Features

Enable, Forced PWM, Over Current Protection, Pre-Bias Start-Up, Synchronous Rectification

Control mode

current mode

Operating temperature range (°C)

-40 to 150

Iq (typ) (A)

0.000025

TI functional safety category

Functional Safety-Capable

Package

SOT-23 (DBV)-6-8.12 mm² 2.9 x 2.8

Features

  • Functional Safety-Capable
  • Configured for rugged industrial applications
    • 4V to 42V input voltage range
    • Input transient protection up to 50V
    • 0.6A / 1A continuous output current
    • 80ns minimum switching on time
    • Fixed 400kHz and 1.1MHz switching frequency
    • –40°C to 150°C junction temperature range
    • 98% maximum duty cycle
    • Monotonic start-up with prebiased output
    • Short-circuit protection with hiccup mode
    • Precision enable
    • ±1.5% tolerance voltage reference
  • Small design size and ease of use
    • Integrated synchronous rectification
    • Internal compensation for ease of use
    • SOT-23 package
  • Various options in pin-to-pin compatible package
    • PFM and forced PWM (FPWM) options
  • Pin-to-pin compatible with the LMR51610, LMR16006, LV2862, LMR50410, TPS560430 and LMR54410
  • Create a custom design using the LMR514xx with the WEBENCH Power Designer
  • Functional Safety-Capable
  • Configured for rugged industrial applications
    • 4V to 42V input voltage range
    • Input transient protection up to 50V
    • 0.6A / 1A continuous output current
    • 80ns minimum switching on time
    • Fixed 400kHz and 1.1MHz switching frequency
    • –40°C to 150°C junction temperature range
    • 98% maximum duty cycle
    • Monotonic start-up with prebiased output
    • Short-circuit protection with hiccup mode
    • Precision enable
    • ±1.5% tolerance voltage reference
  • Small design size and ease of use
    • Integrated synchronous rectification
    • Internal compensation for ease of use
    • SOT-23 package
  • Various options in pin-to-pin compatible package
    • PFM and forced PWM (FPWM) options
  • Pin-to-pin compatible with the LMR51610, LMR16006, LV2862, LMR50410, TPS560430 and LMR54410
  • Create a custom design using the LMR514xx with the WEBENCH Power Designer

Description

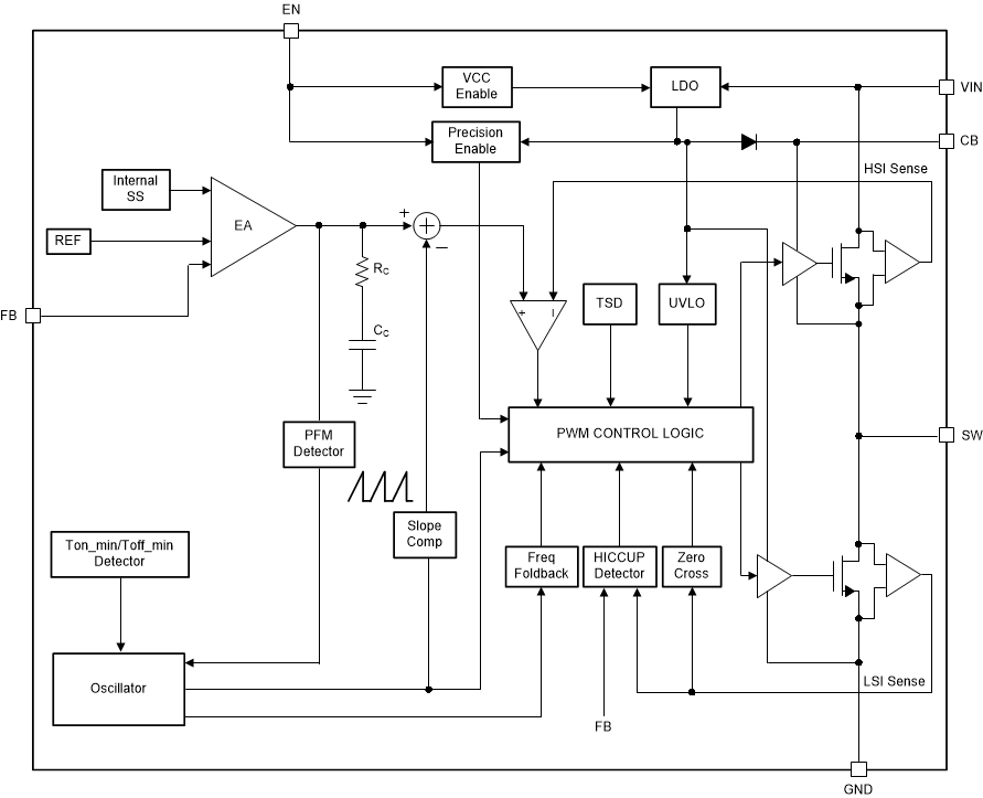
The LMR514xx is a wide-VIN, easy-to-use synchronous buck converter capable of driving up to 0.6A and 1A load current. With a wide input range of 4V to 42V, the device is designed for a wide range of industrial applications for power conditioning from an unregulated source.

The LMR514xx operates at 400kHz and 1.1MHz switching frequency to support use of relatively small inductors for an optimized design size. The LMR514xx has a PFM version to realize high efficiency at light load and a FPWM version to achieve constant frequency and small output voltage ripple over the full load range. Soft-start and compensation circuits are implemented internally, which allow the device to be used with minimal external components.

The device has built-in protection features, such as cycle-by-cycle current limit, hiccup mode short-circuit protection, and thermal shutdown in case of excessive power dissipation.

The LMR514xx is a wide-VIN, easy-to-use synchronous buck converter capable of driving up to 0.6A and 1A load current. With a wide input range of 4V to 42V, the device is designed for a wide range of industrial applications for power conditioning from an unregulated source.

The LMR514xx operates at 400kHz and 1.1MHz switching frequency to support use of relatively small inductors for an optimized design size. The LMR514xx has a PFM version to realize high efficiency at light load and a FPWM version to achieve constant frequency and small output voltage ripple over the full load range. Soft-start and compensation circuits are implemented internally, which allow the device to be used with minimal external components.

The device has built-in protection features, such as cycle-by-cycle current limit, hiccup mode short-circuit protection, and thermal shutdown in case of excessive power dissipation.

Subscribe to Welllinkchips !
Your Name
* Email
Submit a request