0
TPS546C23
  • TPS546C23
  • TPS546C23

TPS546C23

ACTIVE

4.5-V to 18-V, stackable 35-A synchronous SWIFT™ buck converter with PMBus and telemetry

Texas Instruments TPS546C23 Product Info

1 April 2026 1

Parameters

Rating

Catalog

Topology

Buck

Iout (max) (A)

35

Vin (max) (V)

18

Vin (min) (V)

4.5

Vout (max) (V)

5.5

Vout (min) (V)

0.35

Features

Adaptive/Dynamic Voltage Scaling, Adjustable current limit, Adjustable soft start, Differential Remote Sense, Enable, Forced PWM, Frequency synchronization, Overcurrent protection, PMBus, Phase interleaving, Power good, Prebias startup, Synchronous rectification, Telemetry, UVLO adjustable, Voltage Margining

Control mode

Voltage mode

Operating temperature range (°C)

-40 to 125

Iq (typ) (A)

0.0077

Duty cycle (max) (%)

100

Package

LQFN-CLIP (RVF)-40-35 mm² 7 x 5

Features

  • PMBus™ 1.3 Compliant Converters: 35 A
  • 2-Device Stackable for up to 70 A With Current Sharing
  • Input Voltage Range: 4.5 V to 18 V
  • Output Voltage Range: 0.35 V to 5.5 V
  • Integrated 3.2-mΩ and 1.4-mΩ Stacked NexFET™ Power Stage
  • 350-mV to 1650-mV Reference for Adaptive Voltage Scaling (AVS) Function and Margining through PMBus
  • 0.5% Reference Accuracy at 600 mV and Above
  • Lossless Low-Side MOSFET Current Sensing
  • Voltage Mode Control With Input Feed-Forward
  • Differential Remote Sensing
  • Monotonic Start-Up into Pre-Biased Output
  • Output Voltage and Output Current Reporting
  • Internal Die Temperature Monitoring
  • 64 Programmable PMBus Addresses via ADDR0 and ADDR1 Pins
  • Programmable via the PMBus Interface:
    • OCP, UVLO, Soft-Start, PG, OV, UV, OT Levels, Fault Responses
    • Turnon and Turnoff Delays
  • Thermal Shutdown
  • Pin Strapping for Switching Frequency: 200 kHz to 1 MHz
  • Frequency Synchronization to an External Clock or Output Clock to Sync Out
  • Create a Custom Design Using the TPS546C23 With the WEBENCH® Power Designer
  • PMBus™ 1.3 Compliant Converters: 35 A
  • 2-Device Stackable for up to 70 A With Current Sharing
  • Input Voltage Range: 4.5 V to 18 V
  • Output Voltage Range: 0.35 V to 5.5 V
  • Integrated 3.2-mΩ and 1.4-mΩ Stacked NexFET™ Power Stage
  • 350-mV to 1650-mV Reference for Adaptive Voltage Scaling (AVS) Function and Margining through PMBus
  • 0.5% Reference Accuracy at 600 mV and Above
  • Lossless Low-Side MOSFET Current Sensing
  • Voltage Mode Control With Input Feed-Forward
  • Differential Remote Sensing
  • Monotonic Start-Up into Pre-Biased Output
  • Output Voltage and Output Current Reporting
  • Internal Die Temperature Monitoring
  • 64 Programmable PMBus Addresses via ADDR0 and ADDR1 Pins
  • Programmable via the PMBus Interface:
    • OCP, UVLO, Soft-Start, PG, OV, UV, OT Levels, Fault Responses
    • Turnon and Turnoff Delays
  • Thermal Shutdown
  • Pin Strapping for Switching Frequency: 200 kHz to 1 MHz
  • Frequency Synchronization to an External Clock or Output Clock to Sync Out
  • Create a Custom Design Using the TPS546C23 With the WEBENCH® Power Designer

Description

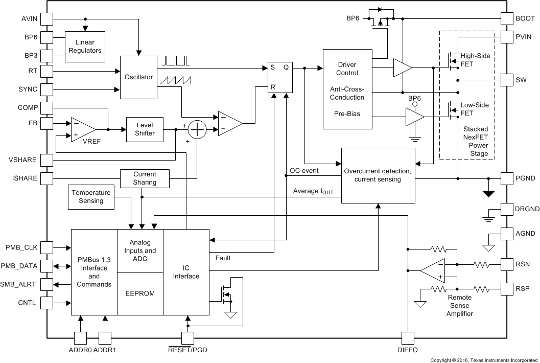
The TPS546C23 devices are PMBus 1.3 Compliant, non-isolated DC/DC converters with integrated FETs, capable of high-frequency operation and 35-A current output from a 7-mm × 5-mm package. Two TPS546C23 devices can be paralleled together to provide up to 70-A load. Current sensing is realized by sampling a small portion of the power stage current and independent on the device temperature. High-frequency, low-loss switching, provided by an integrated NexFET power stage and optimized drivers, allows for very high-density power solutions. The PMBus interface enables the AVS functions through VOUT_COMMAND, flexible converter configuration, as well as key parameters monitoring including output voltage, current, and internal die temperature. Response to fault conditions can be set to either restart, latch-off or ignore depending on system requirements.

The TPS546C23 devices are PMBus 1.3 Compliant, non-isolated DC/DC converters with integrated FETs, capable of high-frequency operation and 35-A current output from a 7-mm × 5-mm package. Two TPS546C23 devices can be paralleled together to provide up to 70-A load. Current sensing is realized by sampling a small portion of the power stage current and independent on the device temperature. High-frequency, low-loss switching, provided by an integrated NexFET power stage and optimized drivers, allows for very high-density power solutions. The PMBus interface enables the AVS functions through VOUT_COMMAND, flexible converter configuration, as well as key parameters monitoring including output voltage, current, and internal die temperature. Response to fault conditions can be set to either restart, latch-off or ignore depending on system requirements.

Subscribe to Welllinkchips !
Your Name
* Email
Submit a request