0
DS100MB201
  • DS100MB201
  • DS100MB201

DS100MB201

ACTIVE

10.3-Gbps dual lane 2:1/1:2 mux/buffer with equalization

Texas Instruments DS100MB201 Product Info

1 April 2026 0

Parameters

Type

Mux Buffer

Number of channels

4

Speed (max) (Gbpp)

10.3125

Input compatibility

AC-coupling

Protocols

10G-SR/LR, Fibre Channel, General purpose, Infiniband, SAS/SATA, sRIO

Operating temperature range (°C)

-40 to 85

Package

WQFN (NJY)-54-55 mm² 10 x 5.5

Features

  • Up to 10.3125 Gbps
  • Dual Lane 2:1 Mux, 1.2 Switch or Fanout
  • Adjustable Transmit Differential Output Voltage (VOD)
  • <0.3 UI of Residual DJ at 10.3125 Gbps with 10” FR4 trace
  • Adjustable Electrical IDLE Detect Threshold
  • Signal Conditioning Programmable through SMBus I/F
  • Single 2.5V Supply Operation
  • >6 kV HBM ESD Rating
  • 3.3V Tolerant SMBus Interface
  • High Speed Signal flow–thru Pinout
  • Package: 54-pin WQFN (10 mm x 5.5 mm)

All trademarks are the property of their respective owners.

  • Up to 10.3125 Gbps
  • Dual Lane 2:1 Mux, 1.2 Switch or Fanout
  • Adjustable Transmit Differential Output Voltage (VOD)
  • <0.3 UI of Residual DJ at 10.3125 Gbps with 10” FR4 trace
  • Adjustable Electrical IDLE Detect Threshold
  • Signal Conditioning Programmable through SMBus I/F
  • Single 2.5V Supply Operation
  • >6 kV HBM ESD Rating
  • 3.3V Tolerant SMBus Interface
  • High Speed Signal flow–thru Pinout
  • Package: 54-pin WQFN (10 mm x 5.5 mm)

All trademarks are the property of their respective owners.

Description

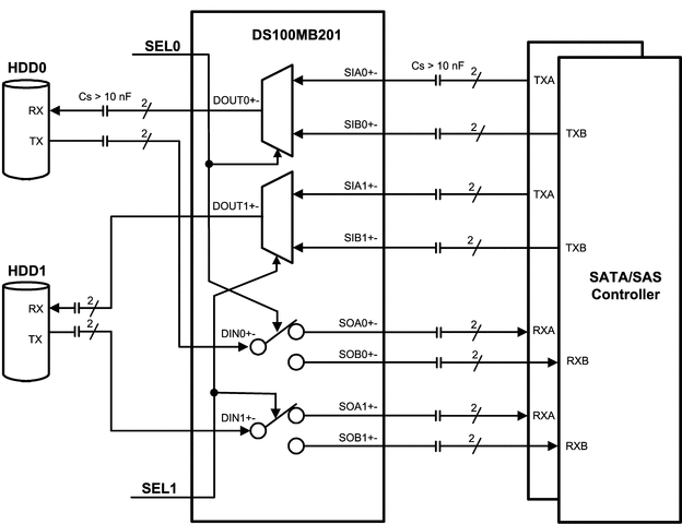
The DS100MB201 is a dual lane 2:1 multiplexer and 1:2 switch or fan-out buffer with signal conditioning suitable for 10GE, Fibre Channel, Infiniband, SATA/SAS and other high-speed bus applications up to 10.31215 Gbps. The device performs receive equalization allowing maximum flexibility of physical placement within a system. The receiver's continuous time linear equalizer (CTLE) provides a boost to compensate for 10” of 4 mil FR4 stripline at 10.3125 Gbps. The DS100MB201 is capable of opening an input eye that is completely closed due to inter-symbol interference (ISI) induced by the interconnect medium. The transmitter features a programmable amplitude voltage levels to be selected from 600 mVp-p to 800 mVp-p. The signal conditioning settings are programmable with register control.

With a typical power consumption of 100 mW/channel at 10.3125 Gbps, and SMBus register control to turn-off unused lanes, the DS100MB201 is part of TI's PowerWise family of energy efficient devices.

The DS100MB201 is a dual lane 2:1 multiplexer and 1:2 switch or fan-out buffer with signal conditioning suitable for 10GE, Fibre Channel, Infiniband, SATA/SAS and other high-speed bus applications up to 10.31215 Gbps. The device performs receive equalization allowing maximum flexibility of physical placement within a system. The receiver's continuous time linear equalizer (CTLE) provides a boost to compensate for 10” of 4 mil FR4 stripline at 10.3125 Gbps. The DS100MB201 is capable of opening an input eye that is completely closed due to inter-symbol interference (ISI) induced by the interconnect medium. The transmitter features a programmable amplitude voltage levels to be selected from 600 mVp-p to 800 mVp-p. The signal conditioning settings are programmable with register control.

With a typical power consumption of 100 mW/channel at 10.3125 Gbps, and SMBus register control to turn-off unused lanes, the DS100MB201 is part of TI's PowerWise family of energy efficient devices.

Subscribe to Welllinkchips !
Your Name
* Email
Submit a request