0
CDCLVD110A
  • CDCLVD110A
  • CDCLVD110A
  • CDCLVD110A

CDCLVD110A

ACTIVE

1-to-10 LVDS clock buffer up to 1100-MHz with minimum skew for clock distribution

Texas Instruments CDCLVD110A Product Info

1 April 2026 0

Parameters

Number of outputs

10

Additive RMS jitter (typ) (fs)

111

Core supply voltage (V)

2.5

Output supply voltage (V)

2.5

Output skew (ps)

50

Operating temperature range (°C)

-40 to 85

Rating

Catalog

Output type

LVDS

Input type

LVDS

Package

LQFP (VF)-32-81 mm² 9 x 9

Features

  • Low-Output Skew <30 ps (Typical) for Clock-Distribution Applications
  • Distributes One Differential Clock Input to 10 LVDS Differential Clock Outputs
  • VCC Range: 2.5 V ±5%
  • Typical Signaling Rate Capability of Up to 1.1 GHz
  • Configurable Register (SI/CK) Individually Enables Disables Outputs, Selectable CLK0, CLK0 or CLK1, CLK1 Inputs
  • Full Rail-to-Rail Common-Mode Input Range
  • Receiver Input Threshold: ±100 mV
  • Available in 32-Pin LQFP and VQFN Package
  • Fail-Safe I/O-Pins for VDD = 0 V (Power Down)
  • Low-Output Skew <30 ps (Typical) for Clock-Distribution Applications
  • Distributes One Differential Clock Input to 10 LVDS Differential Clock Outputs
  • VCC Range: 2.5 V ±5%
  • Typical Signaling Rate Capability of Up to 1.1 GHz
  • Configurable Register (SI/CK) Individually Enables Disables Outputs, Selectable CLK0, CLK0 or CLK1, CLK1 Inputs
  • Full Rail-to-Rail Common-Mode Input Range
  • Receiver Input Threshold: ±100 mV
  • Available in 32-Pin LQFP and VQFN Package
  • Fail-Safe I/O-Pins for VDD = 0 V (Power Down)

Description

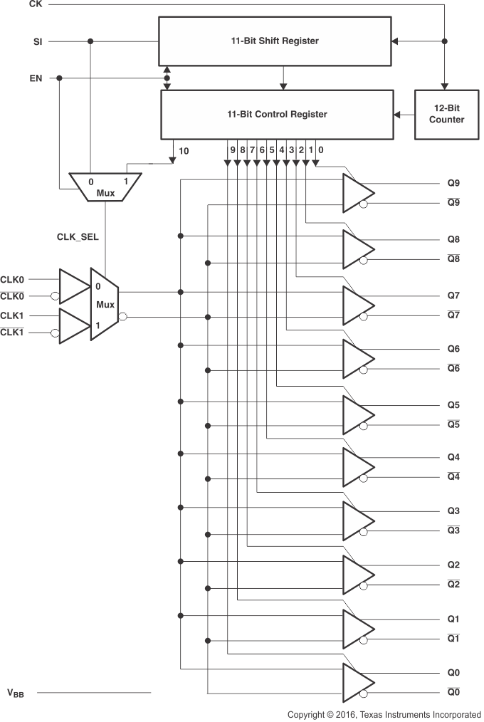
The CDCLVD110A clock driver distributes one pair of differential LVDS clock inputs (either CLK0 or CLK1) to 10 pairs of differential clock outputs (Q0 to Q9) with minimum skew for clock distribution. The CDCLVD110A is specifically designed to drive 50-Ω transmission lines.

When the control enable is high (EN = 1), the 10 differential outputs are programmable in that each output can be individually enabled or disabled
(3-stated) according to the first 10 bits loaded into the shift register. Once the shift register is loaded, the last bit selects either CLK0 or CLK1 as the clock input. However, when EN = 0, the outputs are not programmable and all outputs are enabled.

The CDCLVD110A has an improved start-up circuit that minimizes enabling time in AC- and DC-coupled systems.

The CDCLVD110A is characterized for operation from –40°C to 85°C.

The CDCLVD110A clock driver distributes one pair of differential LVDS clock inputs (either CLK0 or CLK1) to 10 pairs of differential clock outputs (Q0 to Q9) with minimum skew for clock distribution. The CDCLVD110A is specifically designed to drive 50-Ω transmission lines.

When the control enable is high (EN = 1), the 10 differential outputs are programmable in that each output can be individually enabled or disabled
(3-stated) according to the first 10 bits loaded into the shift register. Once the shift register is loaded, the last bit selects either CLK0 or CLK1 as the clock input. However, when EN = 0, the outputs are not programmable and all outputs are enabled.

The CDCLVD110A has an improved start-up circuit that minimizes enabling time in AC- and DC-coupled systems.

The CDCLVD110A is characterized for operation from –40°C to 85°C.

Subscribe to Welllinkchips !
Your Name
* Email
Submit a request