0
BQ24070
  • BQ24070
  • BQ24070

BQ24070

ACTIVE

1-cell 2-A Li-ion linear battery charger, Power Path, Output regulated to 4.4V

Texas Instruments BQ24070 Product Info

1 April 2026 0

Parameters

Rating

Catalog

Number of series cells

1

Cell chemistry

Li-Ion/Li-Polymer

Charge current (max) (A)

1.5

Features

BAT temp thermistor monitoring (hot/cold profile), IC thermal regulation, Power Path

Vin (min) (V)

4.35

Vin (max) (V)

16

Absolute max Vin (max) (V)

18

Control topology

Linear

Battery charge voltage (min) (V)

4.2

Battery charge voltage (max) (V)

4.2

Control interface

Standalone (RC-Settable)

Operating temperature range (°C)

-40 to 85

Package

VQFN (RHL)-20-15.75 mm² 4.5 x 3.5

Features

  • Small 3.5-mm × 4.5-mm VQFN Package
  • Designed for Single-Cell Li-Ion- or Li-Polymer-
    Based Portable Applications
  • Integrated Dynamic Power-Path Management (DPPM)
    Feature Allowing the AC Adapter to Simultaneously
    Power the System and Charge the Battery
  • Power Supplement Mode Allows Battery to Supplement
    the AC Input Current
  • Autonomous Power Source Selection (AC Adapter
    or BAT)
  • Supports Up to 2 A Total Current
  • Thermal Regulation for Charge Control
  • Charge Status Outputs for LED or System Interface
    Indicates Charge and Fault Conditions
  • Reverse Current, Short-Circuit, and Thermal
    Protection
  • Power Good Status Outputs
  • 4.4-V and 6-V Options for System Output Regulation
    Voltage
  • Small 3.5-mm × 4.5-mm VQFN Package
  • Designed for Single-Cell Li-Ion- or Li-Polymer-
    Based Portable Applications
  • Integrated Dynamic Power-Path Management (DPPM)
    Feature Allowing the AC Adapter to Simultaneously
    Power the System and Charge the Battery
  • Power Supplement Mode Allows Battery to Supplement
    the AC Input Current
  • Autonomous Power Source Selection (AC Adapter
    or BAT)
  • Supports Up to 2 A Total Current
  • Thermal Regulation for Charge Control
  • Charge Status Outputs for LED or System Interface
    Indicates Charge and Fault Conditions
  • Reverse Current, Short-Circuit, and Thermal
    Protection
  • Power Good Status Outputs
  • 4.4-V and 6-V Options for System Output Regulation
    Voltage

Description

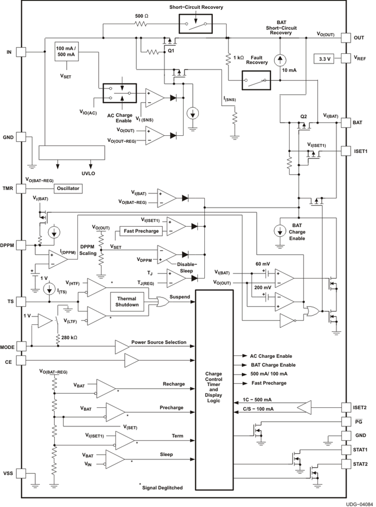
The bq24070 and bq24071 are highly integrated Li-ion linear charger and system power-path management devices targeted at space-limited portable applications. The bq2407x devices offer DC supply (AC adapter) power-path management with autonomous power-source selection, power FETs and current sensors, high-accuracy current and voltage regulation, charge status, and charge termination, in a single monolithic device.

The bq2407x devices power the system while independently charging the battery. This feature reduces the charge and discharge cycles on the battery, allows for proper charge termination, and allows the system to run with an absent or defective battery pack. This feature also allows for the system to instantaneously turn on from an external power source in the case of a deeply discharged battery pack. The IC design is focused on supplying continuous power to the system when available from the AC adapter or battery sources.

The bq24070 and bq24071 are highly integrated Li-ion linear charger and system power-path management devices targeted at space-limited portable applications. The bq2407x devices offer DC supply (AC adapter) power-path management with autonomous power-source selection, power FETs and current sensors, high-accuracy current and voltage regulation, charge status, and charge termination, in a single monolithic device.

The bq2407x devices power the system while independently charging the battery. This feature reduces the charge and discharge cycles on the battery, allows for proper charge termination, and allows the system to run with an absent or defective battery pack. This feature also allows for the system to instantaneously turn on from an external power source in the case of a deeply discharged battery pack. The IC design is focused on supplying continuous power to the system when available from the AC adapter or battery sources.

Subscribe to Welllinkchips !
Your Name
* Email
Submit a request