0
MAX8677C
  • MAX8677C

MAX8677C

PRODUCTION

1.5A Dual-Input USB/AC Adapter Charger and Smart Power Selector Optimized Smart Power Control Maximizes Charger Rate from USB/AC-Adapter Power While Supporting System Load

Analog Devices MAX8677C Product Info

10 February 2026 5

Features

  • Complete Charger and Smart Power Selector
  • No External MOSFETs Required
  • Common or Separate USB and Adapter Inputs
  • System Operates with Discharged or No Battery
  • Automatic Adapter/USB/Battery Switchover
  • Load Peaks Over Adapter Rating Are Supported by Battery
  • Input Overvoltage Protection to 16V
  • 40mΩ System-to-Battery Switch
  • Thermal Regulation Prevents Overheating
  • Active-Low PREQ, Active-Low CHG, Active-Low DOK, Active-Low UOK, and Active-Low FLT Indicators
  • 4.35V (typ) SYS Regulation Voltage

Part details & applications

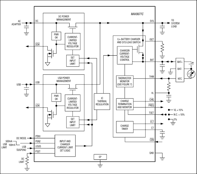
The MAX8677C is an integrated 1-cell Li+ charger and Smart Power Selector™ with dual (DC and USB) power inputs. It can operate with either separate inputs for USB and AC adapter power*, or from a single input that accepts both. All power switches for charging and switching the load between battery and external power are included on-chip. No external MOSFETs are required.

The MAX8677C features a Smart Power Selector to make the best use of limited USB or adapter power. The battery charge current and input current limit are independently set up to 1.5A and 2A, respectively. Input power not used by the system charges the battery. USB input current can be set to 100mA or 500mA. Automatic input selection switches the system load from battery to external power.

Other features include overvoltage protection (OVP), charge status and fault outputs, power-OK monitors, charge timer, and battery thermistor monitor. Additionally, on-chip thermal limiting reduces the battery charge rate to prevent overheating. The MAX8677C is available in a 4mm x 4mm, 24-pin TQFN-EP package.

Applications

  • Digital Cameras
  • GPS Navigation
  • PDAs, Palmtops, and Wireless Handhelds
  • Portable Media/MP3 Players
  • Smart Cell Phones

Subscribe to Welllinkchips !
Your Name
* Email
Submit a request