0
MAX9312
  • MAX9312

MAX9312

PRODUCTION

Dual 1:5 Differential LVPECL/LVECL/HSTL Clock and Data Drivers

Analog Devices MAX9312 Product Info

10 February 2026 8

Features

  • +2.25V to +3.8V Differential HSTL/LVPECL Operation
  • -2.25V to -3.8V Differential LVECL Operation
  • 30ps (typ) Part-to-Part Skew
  • 12ps (typ) Output-to-Output Skew
  • 312ps (typ) Propagation Delay
  • ≥ 300mV Differential Output at 3GHz
  • On-Chip Reference for Single-Ended Inputs
  • Output Low with Open Input
  • Pin Compatible with MC100LVEP210 (MAX9312) and MC100EP210 (MAX9314)
  • Offered in Tiny QFN Package (70% Smaller Footprint than LQFP)

Part details & applications

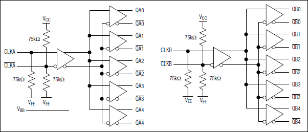
The MAX9312/MAX9314 are low skew, dual 1-to-5 differential drivers designed for clock and data distribution. These devices accept two inputs. Each input is reproduced at five differential outputs. The differential inputs can be adapted to accept single-ended inputs by connecting the on-chip VBB supply to one input as a reference voltage.

The MAX9312/MAX9314 feature low part-to-part skew (30ps) and output-to-output skew (12ps), making them ideal for clock and data distribution across a backplane or a board. For interfacing to differential HSTL and LVPECL signals, these devices operate over a +2.25V to +3.8V supply range, allowing high-performance clock or data distribution in systems with a nominal +2.5V or +3.3V supply. For differential LVECL operation, these devices operate from a -2.25V to -3.8V supply.

The MAX9312 features an on-chip VBB reference output of 1.425V below the positive supply voltage. The MAX9314 offers an on-chip VBB reference output of 1.32V below the positive supply voltage.

Applications

  • Low-Jitter Data Repeater
  • Precision Clock Distribution

Subscribe to Welllinkchips !
Your Name
* Email
Submit a request