0
ADN4670
  • ADN4670
  • ADN4670

ADN4670

PRODUCTION

Programmable Low Voltage 1:10 LVDS Clock Driver

Analog Devices ADN4670 Product Info

10 February 2026 6

Features

  • Low output skew <30 ps (typical)
  • Distributes one differential clock input to 10 LVDS clock outputs
  • Programmable—one of two differential clock inputs can be selected (CLK0, CLK1) and individual differential clock outputs enabled/disabled
  • Signaling rate up to 1.1 GHz (typical)
  • 2.375 V to 2.625 V power supply range
  • ±100 mV differential input threshold
  • Input common-mode range from rail-to-rail
  • I/O pins fail-safe during power-down: VDD = 0 V
  • Available in 32-lead LFCSP package
  • Industrial operating temperature range: −40°C to +85°C

Part details & applications

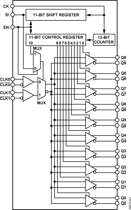
The ADN4670 is a low voltage differential signaling (LVDS) clock driver that expands a differential clock input signal to 10 differential clock outputs. The device is programmable using a simple serial interface, so that one of two clock inputs can be selected (CLK0/CLK0 or CLK1/CLK1) and any of the differential outputs (Q0/Q0 to Q9/Q9) can be enabled or disabled (tristated). The ADN4670 is designed for use in 50 Ω transmission line environments.

When the enable input EN is high, the device may be programmed by clocking 11 data bits into the shift register. The first 10 bits determine which outputs are enabled (0 = disabled, 1 = enabled), while the 11th bit selects the clock input (0 = CLK0, 1 = CLK1). A 12th clock pulse transfers data from the shift register to the control register.

The ADN4670 is fully specified over the industrial temperature range and is available in a 32-lead LFCSP package.

APPLICATIONS

  • Clock distribution networks

Subscribe to Welllinkchips !
Your Name
* Email
Submit a request