0
ADG509F
  • ADG509F
  • ADG509F

ADG509F

PRODUCTION

8-Channel/4-Channel Fault-Protected Analog Multiplexer

Analog Devices ADG509F Product Info

10 February 2026 8

Features

  • All switches off with power supply off
  • Analog output of on channel clamped within power supplies if an overvoltage occurs
  • Latch-up proof construction
  • Fast Switching Times:
    tON 230 ns maximum
    tOFF 130 ns maximum
  • Low on resistance (270 Ω typical)
  • Low power dissipation (3.3 mW maximum)
  • Fault and overvoltage protection
    (−40 V to +55 V)
  • Break-before-make construction
  • TTL and CMOS compatible inputs

Part details & applications

The ADG508F and ADG509F are CMOS analog multiplexers, with the ADG508F comprising eight single channels and the ADG509F comprising four differential channels. These multiplexer provides fault protection. Using a series n-channel, p-channel, n-channel MOSFET structure, both device and signal source protection is provided in the event of an overvoltage or power loss. The multiplexer can withstand continuous overvoltage inputs from -40 V to +55 V. During fault conditions with power supplies off, the multiplexer input (or output) appears as an open circuit and only a few nanoamperes of leakage current will flow. This protects not only the multiplexer and the circuitry driven by the multiplexer, but also protects the sensors or signal sources that drive the multiplexer.

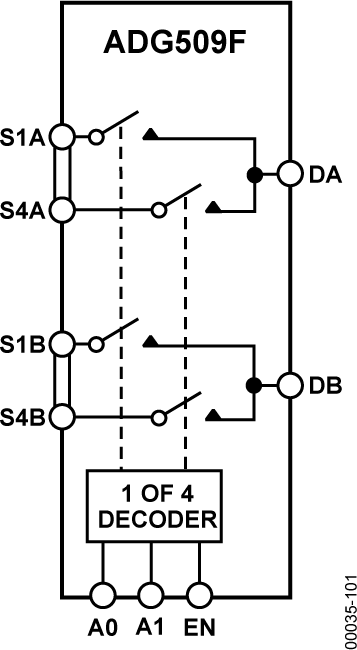
The ADG508F switches one of eight inputs to a common output as determined by the 3-bit binary address lines A0, A1 and A2. The ADG509F switches one of four differential inputs to a common differential output as determined by the 2-bit binary address lines A0 and A1. An EN input on each device is used to enable or disable the device. When disabled, all channels are switched OFF.

PRODUCT HIGHLIGHTS

  1. Fault protection. The ADG508F / ADG509F can withstand continuous voltage inputs from −40 V to +55 V. When a fault occurs due to the power supplies being turned off, all the channels are turned off and only a leakage current of a few nanoamperes flows.
  2. On channel saturates while fault exists.
  3. Low RON.
  4. Fast switching times.
  5. Break-before-make switching. Switches are guaranteed break-before-make so that input signals are protected against momentary shorting.
  6. Trench isolation eliminates latch-up. A dielectric trench separates the p and n-channel MOSFETs thereby preventing latch-up.

<

Subscribe to Welllinkchips !
Your Name
* Email
Submit a request