0
HMC850
  • HMC850

HMC850

RECOMMENDED FOR NEW DESIGNS

28 Gbps 1:2 Fanout Buffer with Programmable Output Voltage

Analog Devices HMC850 Product Info

10 February 2026 9

Features

  • Inputs Terminated Internally to 50 Ohms
  • Differential Inputs are DC Coupled
  • Propagation Delay: 75 ps
  • Fast Rise and Fall Times: 16/15 ps
  • Programmable Differential Output Voltage Swing: 600 - 1100 mV
  • Power Dissipation: 315 mW
  • 16 Lead Ceramic 3×3mm SMT Package: 9mm2

Part details & applications

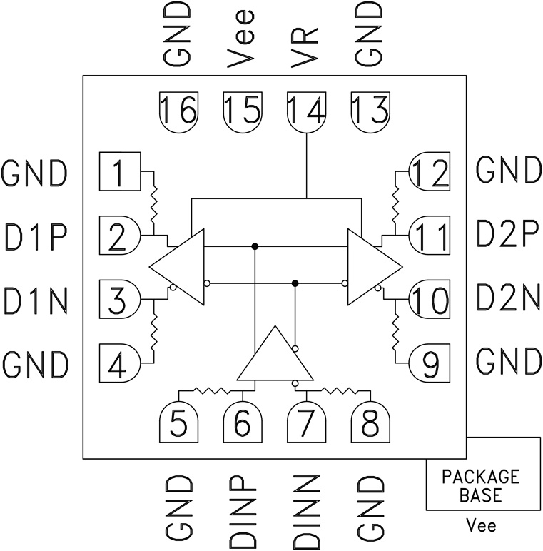
The HMC850LC3 is a 1:2 Fanout Buffer designed to support data transmission rates up to 28 Gbps, and clock frequencies as high as 20 GHz. All differential inputs and outputs are DC coupled and terminated on chip with 50 Ω resistors to the positive supply, ground. The outputs may be used in either single-ended or differential modes, and should be AC or DC coupled into 50 Ω resistors connected to ground.

The HMC850LC3 also features an output level control pin, VR which allows for loss compensation or for signal level optimization. The HMC850LC3 operates from a single -3.3V DC supply and is available in a ceramic RoHS compliant 3×3 mm SMT package.

APPLICATIONS

  • RF ATE Applications
  • Broadband Test & Measurement
  • Serial Data Transmission up to 28 Gbps
  • Clock Buffering up to 20 GHz

Subscribe to Welllinkchips !
Your Name
* Email
Submit a request