0
MAX9311
  • MAX9311

MAX9311

PRODUCTION

1:10 Differential LVPECL/LVECL/HSTL Clock and Data Drivers

Analog Devices MAX9311 Product Info

10 February 2026 6

Features

  • +2.25V to +3.8V Differential HSTL/LVPECL Operation
  • -2.25V to -3.8V LVECL Operation
  • 30ps (typ) Part-to-Part Skew
  • 12ps (typ) Output-to-Output Skew
  • 312ps (typ) Propagation Delay
  • ≥ 300mV Differential Output at 3GHz
  • On-Chip Reference for Single-Ended Inputs
  • Output Low with Open Input
  • Pin Compatible with MC100LVEP111 (MAX9311) and MC100EP111 (MAX9313)
  • Offered in Thin QFN Package (70% Smaller Footprint than LQFP)

Part details & applications

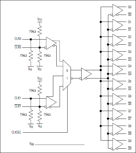
The MAX9311/MAX9313 are low-skew, 1-to-10 differential drivers designed for clock and data distribution. These devices allow selection between two inputs. The selected input is reproduced at 10 differential outputs. The differential inputs can be adapted to accept single-ended inputs by connecting the on-chip VBB supply to one input as a reference voltage.

The MAX9311/MAX9313 feature low part-to-part skew (30ps) and output-to-output skew (12ps), making them ideal for clock and data distribution across a backplane or a board. For interfacing to differential HSTL and LVPECL signals, these devices operate over a +2.25V to +3.8V supply range, allowing high-performance clock or data distribution in systems with a nominal +2.5V or +3.3V supply. For differential LVECL operation, these devices operate from a -2.25V to -3.8V supply.

The MAX9311 features an on-chip VBB reference output of 1.425V below the positive supply voltage. The MAX9313 offers an on-chip VBB reference output of 1.32V below the positive supply voltage.

Both devices are offered in space-saving, 32-pin 5mm x 5mm TQFP, 5mm x 5mm QFN, and industry-standard 32-pin 7mm x 7mm LQFP packages.

Applications

  • Low-Jitter Data Repeater
  • Precision Clock Distribution

Subscribe to Welllinkchips !
Your Name
* Email
Submit a request