0
ADP1754
  • ADP1754

ADP1754

PRODUCTION

1.2A Low-Vin LDO Linear Regulator

Analog Devices ADP1754 Product Info

10 February 2026 7

Features

  • Maximum output current: 1.2 A
  • Input voltage range: 1.6 V to 3.6 V
  • Low shutdown current: <2 μA
  • Very low dropout voltage: 105 mV @ 1.2 A load
  • Initial accuracy: ±1%
  • Accuracy over line, load, and temperature: ±2%
  • 7 fixed output voltage options with soft start 0.75 V to 2.5 V (ADP1754)
  • Adjustable output voltage option with soft start 0.75 V to 3.0 V (ADP1755)
  • High PSRR
    (See data sheet for details)
  • 23 μV rms at 0.75 V output
  • Stable with small 4.7 μF ceramic output capacitor
  • Excellent load and line transient response

Part details & applications

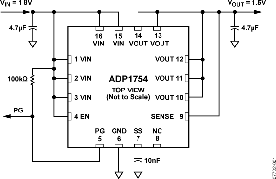
The ADP1754 / ADP1755 are CMOS, low dropout linear regulators that operate from 1.6 V to 3.6 V and provide up to 1.2A of output current. These Low Vin / Vout LDOs are ideal for regulation of nanometer FPGA geometries operating from 2.5V down to 1.8V I/O rails, and powering core voltages down to 0.75V. Using an advanced proprietary architecture, they provide high power supply rejection, low noise, and achieve excellent line and load transient response with a small 4.7 µF ceramic output capacitor.

The ADP1754 is available in 7 fixed output voltage options. The ADP1755 is available in an adjustable version, which allows output voltages that range from 0.75 V to 3.0 V via an external divider. The ADP1754 / ADP1755 allows an external soft start capacitor to be connected to program the start-up. A power good output allows power system monitors to digitally check the health of the output power rail voltage.

The ADP1754 / ADP1755 are available in a 16-lead, 4 mm × 4 mm LFCSP, making them not only very compact solutions, but also providing excellent thermal performance for applications requiring up to 1.2A of output current in a small, low profile footprint.

APPLICATIONS

  • Server computers
  • Memory components
  • Telecommunications equipment
  • Network equipment
  • DSP/FPGA/microprocessor supplies
  • Instrumentation equipment/data acquisition systems

Subscribe to Welllinkchips !
Your Name
* Email
Submit a request