0
MAX2832
  • MAX2832

MAX2832

PRODUCTION

2.4GHz to 2.5GHz, 802.11g RF Transceivers with Integrated PA

Analog Devices MAX2832 Product Info

10 February 2026 8

Features

  • 2.4GHz to 2.5GHz ISM Band Operation
  • IEEE 802.11g/b Compatible (54Mbps OFDM and 11Mbps CCK)
  • Complete RF Transceiver, PA, and Crystal Oscillator (MAX2831)
    • Best-in-Class Transceiver Performance
    • 62mA Receiver Current
    • 2.6dB Rx Noise Figure
    • -76dBm Rx Sensitivity (54Mbps OFDM)
    • No I/Q Calibration Required
    • 0.1dB/0.35° Rx I/Q Gain/Phase Imbalance
    • 33dB RF and 62dB Baseband Gain Control Range
    • 60dB Range Analog RSSI per RF Gain Setting
    • Fast Rx I/Q DC-Offset Settling
    • Programmable Baseband Lowpass Filter
    • 20-Bit Sigma-Delta Fractional-N PLL with < 20Hz Step Size
    • Digitally Tuned Crystal Oscillator
    • +18.5dBm Transmit Power (5.6% EVM with 54Mbps OFDM)
    • 31dB Tx Gain Control Range
    • Integrated Power Detector (MAX2831)
    • Serial or Parallel Gain-Control Interface
    • > 40dB Tx Sideband Suppression without Calibration
    • Tx/Rx I/Q Error Detection
  • Transceiver Operates from +2.7V to +3.6V
  • PA Operates from +2.7V to +4.2V (MAX2831)
  • Low-Power Shutdown Mode
  • Small 48-Pin TQFN Package (7mm x 7mm x 0.8mm)

Part details & applications

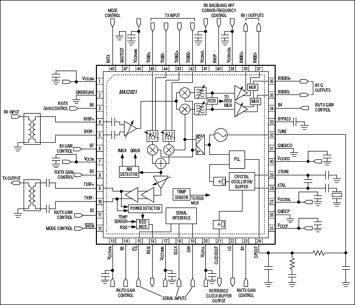
The MAX2831/MAX2832 direct conversion, zero-IF, RF transceivers are designed specifically for 2.4GHz to 2.5GHz 802.11g/b WLAN applications. The MAX2831 completely integrates all circuitry required to implement the RF transceiver function, providing an RF power amplifier (PA), RF-to-baseband receive path, baseband-to-RF transmit path, VCO, frequency synthesizer, crystal oscillator, and baseband/control interface. The MAX2832 integrates the same functional blocks except for the PA. Both devices include a fast-settling sigma-delta RF synthesizer with smaller than 20Hz frequency steps and a digitally tuned crystal oscillator allowing use of a low-cost crystal. The devices also integrate on-chip DC-offset cancellation and I/Q errors and carrier leakage-detection circuits. Only an RF bandpass filter (BPF), crystal, RF switch, and a small number of passive components are needed to form a complete 802.11g/b WLAN RF front-end solution.

The MAX2831/MAX2832 completely eliminate the need for an external SAW filter by implementing on-chip monolithic filters for both the receiver and transmitter. The baseband filters are optimized to meet the IEEE® 802.11g standard and proprietary turbo modes up to 40MHz channel bandwidth. These devices are suitable for the full range of 802.11g OFDM data rates (6Mbps to 54Mbps) and 802.11b QPSK and CCK data rates (1Mbps to 11Mbps). The ICs are available in a small, 48-pin TQFN package measuring only 7mm x 7mm x 0.8mm.

Applications

  • General 2.4GHz ISM Radios
  • Wi-Fi, PDA, VoIP, and Cellular Handsets
  • Wireless Speakers and Headphones

Subscribe to Welllinkchips !
Your Name
* Email
Submit a request