0
HMC6146B
  • HMC6146B

HMC6146B

RECOMMENDED FOR NEW DESIGNS

GaAs MMIC I/Q Upconverter, 40 - 44 GHz

Analog Devices HMC6146B Product Info

10 February 2026 7

Features

  • Conversion Gain: 12 dB
  • Sideband Rejection: 25 dBc
  • 2LO to RF Isolation: 15 dB
  • High Output IP3: +27 dBm
  • 16 Lead 5×5 mm Ceramic Package: 25 mm2

Part details & applications

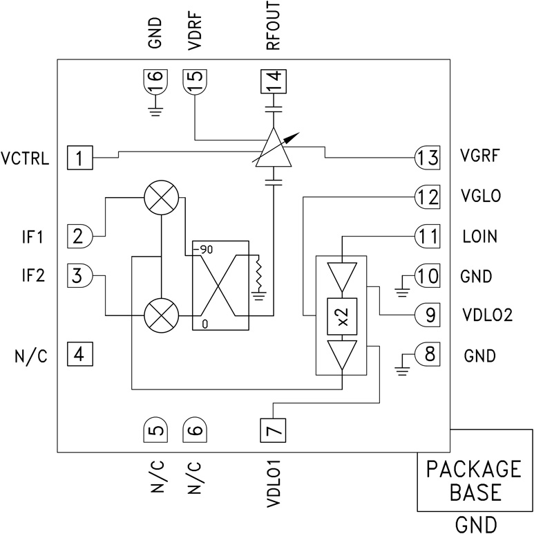
The HMC6146BLC5A is a compact GaAs MMIC I/Q variable gain upconverter in a leadless RoHS compliant SMT package. This device provides a small signal conversion gain of 12 dB with 25 dBc of sideband rejection, and 17 db of gain control. The HMC 6146BLC5A utilizes a RF variable gain amplifier preceded by an I/Q mixer where the LO is driven by a X2 multiplier. IF1 and IF2 mixer inputs are provided and an external 90° hybrid is needed to select the required sideband.

The I/Q mixer topology reduces the need for filtering of the unwanted sideband. The HMC6146BLC5A is a much smaller alternative to hybrid style single sideband upconverter assemblies and it eliminates the need for wire bonding by allowing the use of surface mount manufacturing techniques.

APPLICATIONS

  • Point-to-Point & Point-to-Multi-Point Radio
  • Military Radar, EW & ELINT
  • Satellite Communications
  • Sensors

Subscribe to Welllinkchips !
Your Name
* Email
Submit a request