0
HMC1065
  • HMC1065

HMC1065

RECOMMENDED FOR NEW DESIGNS

GaAs MMIC I/Q Downconverter, 27 - 34 GHz

Analog Devices HMC1065 Product Info

10 February 2026 9

Features

  • Conversion Gain: 13 dB
  • Image Rejection: 17 dBc
  • Input IP3: -2 dBm
  • 24 Lead 4x4 mm SMT Package 16 mm2

Part details & applications

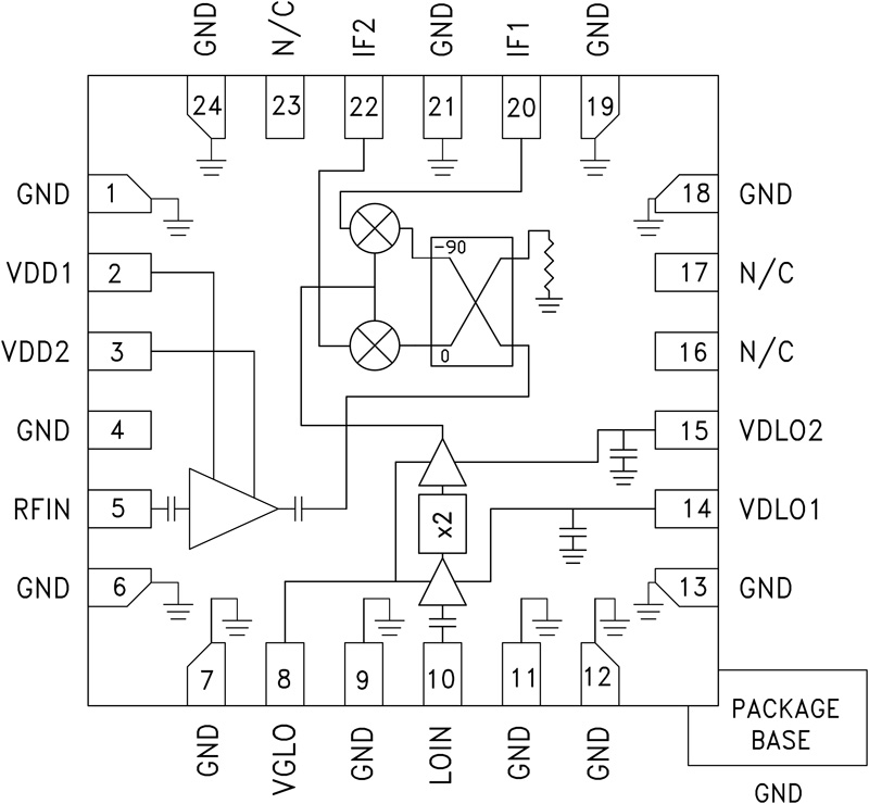
The HMC1065LP4E is a compact GaAs MMIC Image Reject Low Noise Converter in a leadless RoHS compliant SMT package. This device provides a small signal conversion gain of 13 dB with 17 dBc of image rejection, and -2 dBm Input IP3. The HMC1065LP4E utilizes an RF LNA followed by an I/Q mixer which is driven by an active X2 multiplier. IF1 and IF2 mixer outputs are provided and an external 90° hybrid is needed to select the required sideband. The I/Q mixer topology reduces the need for filtering of the unwanted sideband. The HMC1065LP4E is a much smaller alternative to hybrid style image reject downconverter assemblies and it eliminates the need for wire bonding by allowing the use of surface mount manufacturing techniques.

APPLICATIONS

  • Point-to-Point & Point-to-Multi-Point Radio
  • Satellite Communications
  • Sensors

Subscribe to Welllinkchips !
Your Name
* Email
Submit a request