0
MAX2121
  • MAX2121

MAX2121

RECOMMENDED FOR NEW DESIGNS

Complete Direct-Conversion L-Band Tuner Industry's First L-Band Tuner with Internal 123MHz IF Filter

Analog Devices MAX2121 Product Info

10 February 2026 8

Features

  • 925MHz to 2175MHz Frequency Range
  • Monolithic VCO
    • Low Phase Noise: -97dBc/Hz at 10kHz
    • No Calibration Required
  • High Dynamic Range: -75dBm to 0dBm
  • Integrated LP Filters: 123.75MHz
  • Single +3.3V ±5% Supply
  • Low-Power Standby Mode
  • Address Pin for Multituner Applications
  • Differential I/Q Interface
  • I²C 2-Wire Serial Interface
  • Very Small, 5mm x 5mm, 28-Pin TQFN Package

Part details & applications

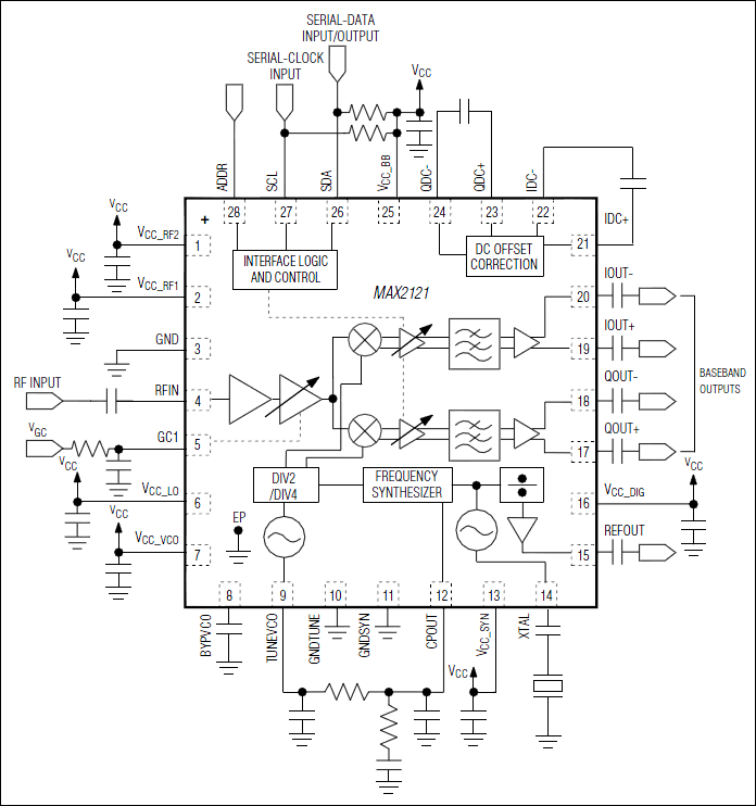
The MAX2121 low-cost, direct-conversion tuner IC is designed for satellite set-top and VSAT applications. The device directly converts the satellite signals from the LNB to baseband using a broadband I/Q downconverter. The operating frequency range extends from 925MHz to 2175MHz.

The device includes an LNA and an RF variable-gain amplifier, I and Q downconverting mixers, and baseband lowpass filters and digitally controlled baseband variable-gain amplifiers. Together, the RF and baseband variable-gain amplifiers provide more than 80dB of gain control range.

The device includes fully monolithic VCOs, as well as a complete fractional-N frequency synthesizer. Additionally, an on-chip crystal oscillator is provided along with a buffered output for driving additional tuners and demodulators. Synthesizer programming and device configuration are accomplished with a 2-wire serial interface. The IC features a VCO autoselect (VAS) function that automatically selects the proper VCO. For multituner applications, the device can be configured to have one of two 2-wire interface addresses. A low-power standby mode is available whereupon the signal path is shut down while leaving the reference oscillator, digital interface, and buffer circuits active, providing a method to reduce power in single and multituner applications.

The device is the most advanced broadband/VSAT DBS tuner available. The low noise figure eliminates the need for an external LNA. A small number of passive components are needed to form a complete broadband satellite tuner DVB-S2 RF front-end solution. The tuner is available in a very small, 5mm x 5mm, 28-pin thin QFN package.

Applications

  • VSATs

Subscribe to Welllinkchips !
Your Name
* Email
Submit a request