0
AD4080
  • AD4080
  • AD4080

AD4080

RECOMMENDED FOR NEW DESIGNS

20-Bit, 40 MSPS, Differential SAR ADC

Analog Devices AD4080 Product Info

10 February 2026 11

Features

  • High performance
    • Throughput: 40 MSPS, 46.25 ns conversion latency
    • INL: ±4 ppm (typical), ±8 ppm (maximum)
    • SNR/THD
      • 93.6 dB (typical)/−110 dB (typical) at fIN = 1 kHz
      • 93.5 dB (typical)/−104 dB (typical) at fIN = 1 MHz
    • Noise spectral density: −167.6 dBFS/Hz
    • 20-bit resolution, no missing codes
  • Low power
    • 79.3 mW typical at 40 MSPS with −0.5 dBFS sine-wave input
  • Easy Drive, fully differential Input
    • 6 V p-p differential input range
    • Continuous signal acquisition
    • Linearized, 5 μA/MSPS input current
  • Integrated, low-drift reference buffer and decoupling
  • Integrated VCM generation
  • Digital features and data interface
    • Conversion result FIFO, 16K sample depth
    • Digital averaging filter with up to 210 decimation
  • SPI configuration
  • Configurable data interface
    • Single lane, DDR, serial LVDS, 800 MBPS per lane
    • Dual lane, DDR, serial LVDS, 400 MBPS per lane
    • Single/quad lane SPI data interface
  • Package
    • 49-ball, 5 mm x 5 mm CSP_BGA, 0.65 mm pitch
    • Integrated supply decoupling capacitors
  • Operating temperature range: −40°C to +85°C

Part details & applications

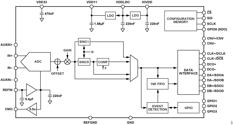
The AD4080 is a high-speed, low noise, low distortion, 20-bit, Easy Drive, successive approximation register (SAR) analog-to-digital converter (ADC). Maintaining high performance (signal-to-noise and distortion (SINAD) ratio > 90 dBFS) at signal frequencies in excess of 1 MHz enables the AD4080 to service a wide variety of precision, wide bandwidth data acquisition applications. Simplification of the input anti-alias filter design can be accomplished by applying oversampling along with the integrated digital filtering and decimation to reduce noise and lower the output data rate for applications that do not require the lowest latency of the AD4080.

The AD4080 Easy Drive features reduce both signal chain complexity and power consumption while enabling greater channel density and flexibility in companion component selection. The product input structure was designed to minimize any input dependent signal currents; therefore, reducing any converter induced settling artifacts. The continuous acquisition architecture allows settling across the entire conversion cycle, easing ADC driver settling and bandwidth requirements as compared to other high-speed data converters.

The AD4080 includes several elements that simplify data converter integration: a low drift reference buffer, low dropout (LDO) regulators to generate ADC core and digital interface supply rails, and a 16K result data first-in first out (FIFO) that can greatly reduce the load on the digital host. Additionally, critical supply and reference decoupling capacitors are integrated in the package to ensure optimum performance, simplify printed circuit board (PCB) layout, and reduce the overall solution footprint.

APPLICATIONS

  • Digital imaging
  • Cell analysis
  • Spectroscopy
  • Automated test equipment
  • High speed data acquisition
  • Digital control loops, hardware in the loop
  • Po

Subscribe to Welllinkchips !
Your Name
* Email
Submit a request